Описание лотка ЛК 300.30.30-1
Лоток железобетонный (ЛК 300.30.30-1) Серия 3.006.1-8 выпуск 1-1 применяется для устройства водоотводных систем, дренажных канав и других инженерных коммуникаций. Изделие изготавливается из высокопрочного бетона с армированием стальной арматурой, что обеспечивает его прочность, устойчивость к нагрузкам и долговечность.
Применение лотка ЛК 300.30.30-1
Лоток ЛК 300.30.30-1 используется как элемент для строительства водоотводных и дренажных систем, предназначенных для отвода поверхностных и грунтовых вод. Он служит важной частью системы, обеспечивающей защиту от затопления, эрозии грунта и других негативных последствий. Для монтажа могут применяться дополнительные элементы: раствор, закладные детали, петли для транспортировки и другие комплектующие.
Типы лотков
Лотки железобетонные подразделяются на несколько типов в зависимости от размеров и назначения:
- ЛК: лоток коробчатый;
- ЛД: лоток доборный;
- ЛП: лоток прямоугольный;
- ЛУ: лоток универсальный.
Размеры зависят от типа: длина 2990–3000 мм, ширина 280–300 мм, высота 280–300 мм.
Основные параметры, размеры и характеристики
- Длина L, мм: 2990
- Ширина b, мм: 280
- Высота h, мм: 280
- Масса, тонн: 0,33
- Объем бетона, м³: 0,13
- Геометрический объем, м³: 0,234416
- Расход стали, кг: 3,7
Закладные детали
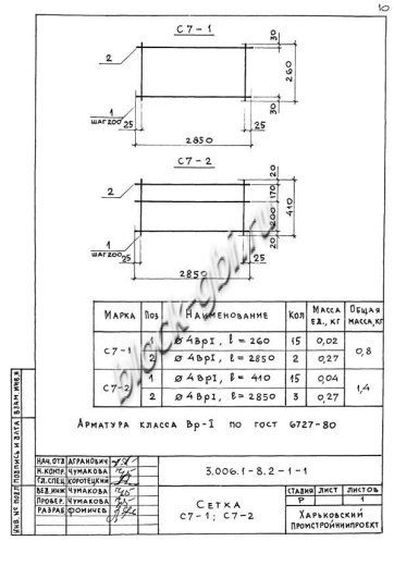
- Сетка С7-1: основной армирующий элемент;
- Сетка С8-1: дополнительный армирующий элемент;
- Петля УП1-2: элемент для удобства транспортировки и монтажа.
Дополнительные характеристики
- Класс бетона: B15 (марка М200)
- Марка по морозостойкости: F150–F200
- Марка по водонепроницаемости: W4–W6
- Технология изготовления: вибропрессование или формование с использованием высокопрочного бетона.
Нормы загрузки
- Норма загрузки в автотранспорт 20 т, шт: 60
Документы
- Нормативный документ: Серия 3.006.1-8 выпуск 1-1
Расшифровка маркировки ЛК 300.30.30-1
Маркировка "ЛК 300.30.30-1" содержит следующую информацию:
- ЛК – лоток коробчатый;
- 300 – длина лотка в дециметрах (2990 мм);
- 30 – ширина лотка в сантиметрах (280 мм);
- 30 – высота лотка в сантиметрах (280 мм);
- 1 – порядковый номер конструктивного исполнения.
Условия транспортировки и хранения
Лотки ЛК 300.30.30-1 перевозятся автомобильным или железнодорожным транспортом с использованием специальных захватных устройств (строп). Хранение осуществляется на ровных площадках с твердым покрытием. Лотки устанавливаются горизонтально в штабель высотой не более 2,5 м. Для предотвращения повреждений между изделиями устанавливаются деревянные прокладки.
Контроль качества лотка ЛК 300.30.30-1
Каждый лоток ЛК 300.30.30-1 проходит многоступенчатый контроль качества в соответствии с Серия 3.006.1-8 выпуск 1-1. Проверяются:
- прочность бетона (не ниже класса B15);
- соответствие геометрических размеров проектным данным;
- качество армирования (наличие арматурного каркаса, толщина защитного слоя бетона);
- морозостойкость и водонепроницаемость бетона;
- точность расположения закладных элементов;
- отсутствие трещин, сколов и других дефектов.
Заключение
Лоток ЛК 300.30.30-1 – надежный и долговечный элемент для устройства водоотводных и дренажных систем. Благодаря строгому соблюдению требований Серия 3.006.1-8 выпуск 1-1 и использованию качественных материалов, он обеспечивает прочность, устойчивость и долговечность конструкций. Для заказа качественных железобетонных лотков обращайтесь к производителям с сертификатами соответствия и опытом работы в сфере ЖБИ.
Смотрите также:
| Варианты написания товара |
|---|
| Лоток ЛК 300.30.30-1 |
| ЛК 300.30.30-1 лоток |
| Лоток ЛК300.30.30-1 |
| ЛК300.30.30-1 лоток |
| ЛК 300.30.30-1 |
| ЛК300.30.30-1 |
| Лоток ЛК 300.30.30-1 Серия 3.006.1-8 выпуск 1-1 |
| ЛК 300.30.30-1 Серия 3.006.1-8 выпуск 1-1 |
| ЛК300.30.30-1 Серия 3.006.1-8 выпуск 1-1 |
|
ГОСТ/Серия
|
Серия 3.006.1-8 выпуск 1-1 |
|
Длина, мм
|
2990 |
|
Ширина, мм
|
280 |
|
Высота, мм
|
280 |
|
Масса, тонн
|
0.33 |
|
Объем бетона, куб.м
|
0.13 |
|
Класс бетона
|
В15 |
|
Геометрический объем, м.куб
|
0.234416 |
|
Сталь, кг
|
3.7 |
|
Закладная 1
|
Сетка С7-1 |
|
Закладная 2
|
Сетка С8-1 |
|
Закладная 3
|
Петля УП1-2 |
Как купить
Процесс покупки железобетонных изделий у нас прост и удобен. Следуйте этим шагам:
- Выбор продукции: Ознакомьтесь с нашим ассортиментом и выберите необходимые железобетонные изделия.
- Консультация: Свяжитесь с нашим менеджером для получения консультации по выбору продукции и уточнения всех деталей. Вы можете позвонить нам или написать на электронную почту.
- Оформление заказа: После согласования всех деталей оформите заказ. Менеджер поможет вам заполнить все необходимые документы.
- Согласование доставки: После оформления заказа наш менеджер свяжется с вами для согласования условий и сроков доставки.
- Оплата: Выберите удобный способ оплаты. Мы предлагаем несколько вариантов, включая безналичный расчет.
- Получение товара: После выполнения всех условий заказа, вы получите железобетонные изделия в назначенное время и по согласованному адресу. При получении подпишите акт приема-передачи.
Если у вас возникли вопросы на любом этапе покупки, не стесняйтесь обращаться к нашим менеджерам!
Оплата
Мы принимаем только безналичные платежи и работаем исключительно с юридическими лицами. Пожалуйста, ознакомьтесь с условиями оплаты ниже:
- Способ оплаты: Все расчеты производятся безналичным путем. Мы не принимаем наличные.
- Счет на оплату: После оформления заказа вам будет выставлен счет, который необходимо оплатить в срок, указанный в документе.
- Реквизиты: Все необходимые банковские реквизиты будут предоставлены в счете. Убедитесь, что все данные указаны правильно для успешного перевода.
- Подтверждение оплаты: После осуществления платежа отправьте нам подтверждение, чтобы мы могли оперативно обработать ваш заказ.
- Получение документов: После полной оплаты вы получите все необходимые документы, включая акт выполненных работ, товарные накладные и сертификаты на продукцию.
Мы работаем с НДС и предоставляем все необходимые сертификаты и документы. Все гарантии будут прописаны в договоре, что обеспечивает прозрачность и надежность сотрудничества.
Если у вас есть вопросы по поводу процесса оплаты, не стесняйтесь обращаться к нашим менеджерам за помощью!
Наша оперативность — ваше удобство. Мы гарантируем своевременную доставку железобетонных изделий, что является ключевым фактором для успешной реализации ваших строительных проектов. Доставка осуществляется прямо к вашему объекту с учетом всех стандартов качества.
Основные условия доставки:
• Выбор тарифа: Вы можете выбрать способ расчета стоимости доставки — почасовой или по зонам.
• Согласование: Менеджер свяжется с вами для уточнения деталей после оформления заказа.
• Время на погрузку: Комплектация товара занимает от 1 до 3 дней в зависимости от объема.
• Акт приема-передачи: Продукция передается по акту приема-передачи.
Тарифы на доставку:
Цены варьируются в зависимости от расстояния и региона. Все тарифы включают НДС. При неблагоприятных погодных условиях возможны небольшие изменения в стоимости.
География доставки:
Мы работаем по всей территории РФ и имеем 12 офисов и производств, чтобы обеспечить удобные условия для доставки.
Для точного расчета стоимости доставки обращайтесь к нашим менеджерам!

