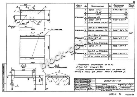
Описание лотка ЛК 300.150.60-1
Лоток железобетонный (ЛК 300.150.60-1) применяется для устройства инженерных коммуникаций, включая водоотводные системы, дренажные сети и кабельные каналы. Изделие изготавливается компанией ГК "БЛОК", которая специализируется на производстве и поставке железобетонных изделий в Краснодаре, из высокопрочного бетона класса B15 с армированием стальной арматурой. Это обеспечивает его прочность, устойчивость к нагрузкам и долговечность. Однако, информация о нормативном документе Серия 3.006.1-8 выпуск 1-1 недоступна, так как страница не найдена.
Применение лотка ЛК 300.150.60-1
Лоток ЛК 300.150.60-1 используется для строительства водоотводных систем, дренажных сетей и кабельных каналов. Он служит важной частью системы, обеспечивающей надёжность, безопасность и удобство эксплуатации инженерных коммуникаций. Для монтажа могут применяться дополнительные элементы: раствор, закладные детали и другие комплектующие.
Типы железобетонных лотков
Железобетонные лотки подразделяются на несколько типов в зависимости от размеров и назначения:
- ЛК: лоток канальный;
- ЛД: лоток дренажный;
- ЛВ: лоток водоотводный;
- ЛКК: лоток кабельный.
Размеры зависят от типа: длина 2990–6000 мм, ширина 1480–3000 мм, высота 580–1000 мм.
Основные параметры, размеры и характеристики
- Длина L, мм: 2990
- Ширина b, мм: 1480
- Высота h, мм: 580
- Масса, тонн: 1.85
- Объем бетона, м³: 0.74
- Класс бетона: В15 (марка М200)
- Геометрический объем, м³: 2.566616
- Сталь, кг: 31.2
Закладные элементы
- Закладная 1: Сетка С7-27
- Закладная 2: Сетка С8-27
- Закладная 3: Сетка С17-1
- Закладная 4: Фиксатор Ф3
Дополнительные характеристики
- Марка по морозостойкости: F100–F200
- Марка по водонепроницаемости: W4–W6
- Технология изготовления: вибропрессование или формование с использованием высокопрочного бетона.
Нормы загрузки
- Норма загрузки в автотранспорт 20 т, шт: 10
Расшифровка маркировки ЛК 300.150.60-1
Маркировка "ЛК 300.150.60-1" содержит следующую информацию:
- ЛК – лоток канальный;
- 300 – условная длина лотка в дециметрах (2990 мм);
- 150 – условная ширина лотка в дециметрах (1480 мм);
- 60 – условная высота лотка в дециметрах (580 мм);
- 1 – порядковый номер изделия в серии.
Условия транспортировки и хранения
Лотки ЛК 300.150.60-1 перевозятся автомобильным или железнодорожным транспортом с использованием специальных захватных устройств (строп). Хранение осуществляется на ровных площадках с твердым покрытием. Лотки устанавливаются горизонтально в штабель высотой не более 2,5 м. Для предотвращения повреждений между изделиями устанавливаются деревянные прокладки.
Контроль качества лотка ЛК 300.150.60-1
Каждый лоток ЛК 300.150.60-1, произведённый компанией ГК "БЛОК", проходит многоступенчатый контроль качества. Проверяются:
- прочность бетона (не ниже класса B15);
- соответствие геометрических размеров проектным данным;
- качество армирования (наличие арматурного каркаса, толщина защитного слоя бетона);
- морозостойкость и водонепроницаемость бетона;
- точность расположения закладных элементов;
- отсутствие трещин, сколов и других дефектов.
Заключение
Лоток ЛК 300.150.60-1 от компании ГК "БЛОК" – это надежный и долговечный элемент для устройства инженерных коммуникаций. Благодаря использованию качественных материалов и современных технологий производства, он обеспечивает прочность, устойчивость и долговечность конструкций. Для заказа качественных железобетонных изделий обращайтесь к профессионалам своего дела – компании ГК "БЛОК".
Смотрите также:
| Варианты написания товара |
|---|
| Лоток ЛК 300.150.60-1 |
| ЛК 300.150.60-1 лоток |
| Лоток ЛК300.150.60-1 |
| ЛК300.150.60-1 лоток |
| ЛК 300.150.60-1 |
| ЛК300.150.60-1 |
|
ГОСТ/Серия
|
Серия 3.006.1-8 выпуск 1-1 |
|
Длина, мм
|
2990 |
|
Ширина, мм
|
1480 |
|
Высота, мм
|
580 |
|
Масса, тонн
|
1.85 |
|
Объем бетона, куб.м
|
0.74 |
|
Класс бетона
|
В15 |
|
Геометрический объем, м.куб
|
2.566616 |
|
Сталь, кг
|
31.2 |
|
Закладная 1
|
Сетка С7-27 |
|
Закладная 2
|
Сетка С8-27 |
|
Закладная 3
|
Сетка С17-1 |
|
Закладная 4
|
Фиксатор Ф3 |
Как купить
Процесс покупки железобетонных изделий у нас прост и удобен. Следуйте этим шагам:
- Выбор продукции: Ознакомьтесь с нашим ассортиментом и выберите необходимые железобетонные изделия.
- Консультация: Свяжитесь с нашим менеджером для получения консультации по выбору продукции и уточнения всех деталей. Вы можете позвонить нам или написать на электронную почту.
- Оформление заказа: После согласования всех деталей оформите заказ. Менеджер поможет вам заполнить все необходимые документы.
- Согласование доставки: После оформления заказа наш менеджер свяжется с вами для согласования условий и сроков доставки.
- Оплата: Выберите удобный способ оплаты. Мы предлагаем несколько вариантов, включая безналичный расчет.
- Получение товара: После выполнения всех условий заказа, вы получите железобетонные изделия в назначенное время и по согласованному адресу. При получении подпишите акт приема-передачи.
Если у вас возникли вопросы на любом этапе покупки, не стесняйтесь обращаться к нашим менеджерам!
Оплата
Мы принимаем только безналичные платежи и работаем исключительно с юридическими лицами. Пожалуйста, ознакомьтесь с условиями оплаты ниже:
- Способ оплаты: Все расчеты производятся безналичным путем. Мы не принимаем наличные.
- Счет на оплату: После оформления заказа вам будет выставлен счет, который необходимо оплатить в срок, указанный в документе.
- Реквизиты: Все необходимые банковские реквизиты будут предоставлены в счете. Убедитесь, что все данные указаны правильно для успешного перевода.
- Подтверждение оплаты: После осуществления платежа отправьте нам подтверждение, чтобы мы могли оперативно обработать ваш заказ.
- Получение документов: После полной оплаты вы получите все необходимые документы, включая акт выполненных работ, товарные накладные и сертификаты на продукцию.
Мы работаем с НДС и предоставляем все необходимые сертификаты и документы. Все гарантии будут прописаны в договоре, что обеспечивает прозрачность и надежность сотрудничества.
Если у вас есть вопросы по поводу процесса оплаты, не стесняйтесь обращаться к нашим менеджерам за помощью!
Наша оперативность — ваше удобство. Мы гарантируем своевременную доставку железобетонных изделий, что является ключевым фактором для успешной реализации ваших строительных проектов. Доставка осуществляется прямо к вашему объекту с учетом всех стандартов качества.
Основные условия доставки:
• Выбор тарифа: Вы можете выбрать способ расчета стоимости доставки — почасовой или по зонам.
• Согласование: Менеджер свяжется с вами для уточнения деталей после оформления заказа.
• Время на погрузку: Комплектация товара занимает от 1 до 3 дней в зависимости от объема.
• Акт приема-передачи: Продукция передается по акту приема-передачи.
Тарифы на доставку:
Цены варьируются в зависимости от расстояния и региона. Все тарифы включают НДС. При неблагоприятных погодных условиях возможны небольшие изменения в стоимости.
География доставки:
Мы работаем по всей территории РФ и имеем 12 офисов и производств, чтобы обеспечить удобные условия для доставки.
Для точного расчета стоимости доставки обращайтесь к нашим менеджерам!

