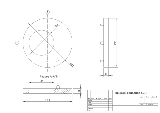
Плита перекрытия колодца (КЦП) Серия 3.900-3 — надёжная круглая крышка для колодцев диаметром 1 680 мм с технологическим отверстием Ø 700 мм. Изготавливается по серии 3.900.1-14 и ГОСТ 8020-90 из тяжёлого бетона класса В15, армированного стальной сеткой. Благодаря прочности и точным размерам (высота 150 мм, масса около 680 кг, объём бетона ~ 0,27 м³) изделие обеспечивает герметичное и безопасное перекрытие инженерных колодцев.
Область применения
Плита КТСП 1-15-1 предназначена для установки в качестве плоской крышки на колодцы систем водоснабжения, канализации, дренажа, а также ливнёвых сетей. Она обеспечивает защиту от попадания грунта, мусора и осадков. Крышка совместима с чугунными или пластиковыми люками и дождеприёмниками, подходя для частных, городских и промышленных объектов .
Преимущества изделия
Плита отличается высокой механической прочностью — усиленный бетон и армирование обеспечивают устойчивость к нагрузкам автотехники. Морозостойкость и водонепроницаемость позволяют использовать её в сложных климатических условиях. Чёткие геометрические параметры исключают зазоры при стыковке с кольцом, а монтажные петли упрощают установку без дополнительных работ .
Контроль качества
Каждая плита проходит строгие испытания – проверяется прочность бетона, точность геометрии (диаметры и высота в допусках ±5–6 мм), морозостойкость, водонепроницаемость, а также состояние поверхности (отсутствие трещин и дефектов). Результаты сложности фиксируются в паспортах качества и сертификатах.
Условия транспортировки
Плита КТСП 1-15-1 доставляется строго в горизонтальном положении с использованием монтажных петель и деревянных прокладок для защиты от деформаций. Хранение — на ровной твердой поверхности, штабелями до 2,5 м, обеспечивая сохранность формы и готовность к установке.
Где купить плиту КТСП 1-15-1 с доставкой
Компания Блок-ЖБИ предлагает приобрести плиту перекрытия КТСП 1-15-1 напрямую от завода-производителя — с полным комплектом документов, паспортов и гарантий качества. Мы поможем рассчитать необходимое количество, подберём оптимальную логистику и организуем доставку в ваш город. Чтобы заказать надёжную металлическую крышку для колодца — звоните или оставляйте заявку, и мы оперативно доставим изделие на ваш объект!
Смотрите также:
| Варианты написания товара |
|---|
| Плита перекрытия КЦП 1-15-1 |
| КЦП 1-15-1 плита |
| Плита перекрытия КЦП1-15-1 |
| КЦП1-15-1 плита |
| КЦП 1-15-1 |
| КЦП1-15-1 |
| Плита перекрытия КЦП 1-15-1 Серия 3.900-3 |
| КЦП 1-15-1 Серия 3.900-3 |
| КЦП1-15-1 Серия 3.900-3 |
|
ГОСТ/Серия
|
Серия 3.900-3 |
|
Длина, мм
|
1680 |
|
Высота, мм
|
150 |
|
Масса, тонн
|
0,68 |
|
Объем бетона, куб.м
|
0,27 |
|
Геометрический объем, м.куб
|
0,333 |
|
Сталь, кг
|
26,7 |
Как купить
Процесс покупки железобетонных изделий у нас прост и удобен. Следуйте этим шагам:
- Выбор продукции: Ознакомьтесь с нашим ассортиментом и выберите необходимые железобетонные изделия.
- Консультация: Свяжитесь с нашим менеджером для получения консультации по выбору продукции и уточнения всех деталей. Вы можете позвонить нам или написать на электронную почту.
- Оформление заказа: После согласования всех деталей оформите заказ. Менеджер поможет вам заполнить все необходимые документы.
- Согласование доставки: После оформления заказа наш менеджер свяжется с вами для согласования условий и сроков доставки.
- Оплата: Выберите удобный способ оплаты. Мы предлагаем несколько вариантов, включая безналичный расчет.
- Получение товара: После выполнения всех условий заказа, вы получите железобетонные изделия в назначенное время и по согласованному адресу. При получении подпишите акт приема-передачи.
Если у вас возникли вопросы на любом этапе покупки, не стесняйтесь обращаться к нашим менеджерам!
Оплата
Мы принимаем только безналичные платежи и работаем исключительно с юридическими лицами. Пожалуйста, ознакомьтесь с условиями оплаты ниже:
- Способ оплаты: Все расчеты производятся безналичным путем. Мы не принимаем наличные.
- Счет на оплату: После оформления заказа вам будет выставлен счет, который необходимо оплатить в срок, указанный в документе.
- Реквизиты: Все необходимые банковские реквизиты будут предоставлены в счете. Убедитесь, что все данные указаны правильно для успешного перевода.
- Подтверждение оплаты: После осуществления платежа отправьте нам подтверждение, чтобы мы могли оперативно обработать ваш заказ.
- Получение документов: После полной оплаты вы получите все необходимые документы, включая акт выполненных работ, товарные накладные и сертификаты на продукцию.
Мы работаем с НДС и предоставляем все необходимые сертификаты и документы. Все гарантии будут прописаны в договоре, что обеспечивает прозрачность и надежность сотрудничества.
Если у вас есть вопросы по поводу процесса оплаты, не стесняйтесь обращаться к нашим менеджерам за помощью!
Наша оперативность — ваше удобство. Мы гарантируем своевременную доставку железобетонных изделий, что является ключевым фактором для успешной реализации ваших строительных проектов. Доставка осуществляется прямо к вашему объекту с учетом всех стандартов качества.
Основные условия доставки:
• Выбор тарифа: Вы можете выбрать способ расчета стоимости доставки — почасовой или по зонам.
• Согласование: Менеджер свяжется с вами для уточнения деталей после оформления заказа.
• Время на погрузку: Комплектация товара занимает от 1 до 3 дней в зависимости от объема.
• Акт приема-передачи: Продукция передается по акту приема-передачи.
Тарифы на доставку:
Цены варьируются в зависимости от расстояния и региона. Все тарифы включают НДС. При неблагоприятных погодных условиях возможны небольшие изменения в стоимости.
География доставки:
Мы работаем по всей территории РФ и имеем 12 офисов и производств, чтобы обеспечить удобные условия для доставки.
Для точного расчета стоимости доставки обращайтесь к нашим менеджерам!

