ЖБИ фундаменты трехлучевые стаканные ТСУ-80-4,0С предназначены для установки под центрифугированные железобетонные консольные конические опоры ЛЭП, а также под опоры с жесткими поперечинами с одиночными или спаренными стойками. Трехлучевые фундаменты применяются и при установке ОРУ (открытых распределительных устройств) 35, 110 и 220 кВ.
Железобетонные изделия фундаменты трехлучевые стаканные ТСУ-80-4,0С используются в железнодорожном строительстве в случаях устройства заново возводимых или реконструируемых консольных опор контактной сети, которые устанавливаются на сложных отрезках и участках железнодорожных путей, например, на крупных железнодорожных развязках, на боковых и основных путях, в горловинах станций с большим количеством путей. Конструкции консольных опор обладают важнейшим преимуществом по сравнению с другими видами опор ЛЭП – отсутствием механической связи между подвесками соседних путей. Однако это преимущество приводит к увеличению испытываемых продольных и поперечных нагрузок. Трехлучевые фундаменты с анкерным креплением позволяют значительно сократить действие этих нагрузок, за счет трех лучей фундамента, которые равномерно распределяют и передают нагрузки на грунт, а вся конструкция получается жесткой, обеспечивая необходимый запас прочности.
Материал фундаментов – железобетон – обладает весомыми преимуществами по сравнению с другими строительными материалами: конструкции из железобетона не подвержены деформациям; одинаково успешно сопротивляются как растяжению, так и сжатию; высокие показатели прочности и долговечности позволяют использовать жби в любых уголках земного шара, в любых климатических условиях. Изделия фундаменты трехлучевые стаканные ТСУ-80-4,0С используются в районах с агрессивными климатическими условиями, при расчетной температуре наружного воздуха ниже -40°С, в обычных грунтах и пучинистых грунтах глубокого сезонного промерзания, в районах с сейсмичностью до 9 баллов включительно, с неагрессивной, слабо-, средне- и сильноагрессивной степенью агрессивности среды.
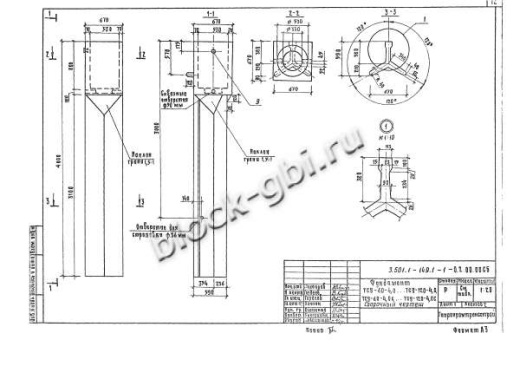
Конструктивно трехлучевые фундаменты включают в себя верхнюю стаканную и нижнюю трехлучевую части. Верхняя часть представляет собой железобетонный оголовок квадратного сечения 670х670 мм, с цилиндрической полостью диаметром 530 мм, глубиной 800 мм или 1200 мм для установки стоек опор. Нижняя часть имеет трехлучевое сечение с расположением лучей в плане под углом 120°. Лучи имеют толщину стенки в крайней верхней части луча 80 мм, а в месте схождения лучей – 90 мм. Соединение верхней стаканной и нижней трехлучевой частью осуществляется в виде пирамиды.
Железобетонные изделия фундаменты трехлучевые стаканные ТСУ-80-4,0С изготавливаются по одной из трех серий: серия 3.501.1-149 выпуск 2 «Фундаменты для центрифугированных железобетонных опор контактной сети железных дорог», серия 3.501-130 или рабочие чертежи 4182И, исключительно из тяжелого бетона повышенной плотности. Железнодорожное строительство предписывает применять высокие классы бетона – по прочности на сжатие – В30, по морозостойкости – F200 и водонепроницаемости – W6 – позволяют максимально эффективно использовать трехлучевые фундаменты в районах с нестабильными климатическими условиями и в районах, где температура наружного воздуха достигает отметки -50°С и ниже.
Изделия фундаменты трехлучевые стаканные ТСУ-80-4,0С армируются каркасами из стержневой горячекатаной арматуры классов А-III (основной вариант) и А-II (дополнительный). Основное армирование при расчетной температуре наружного воздуха до -40°С осуществляется арматурой из стали 25Г2С в сварных каркасах, марки 35ГС – в вязаных каркасах. При температуре ниже -40°С применяется только сталь марки 35Г2С в вязаных каркасах. Армирование по дополнительному варианту осуществляется при расчетной зимней температуре наружного воздуха ниже -40°С арматурой из стали марки 10ГТ в сварных каркасах, из стали марки ВСт5 сп2 – в вязаных каркасах. Вместо арматуры класса А-III марки 35ГС возможно применение арматуры Ат-III С по ГОСТ 10884-81 без пересчета площади стержней. Спираль в фундаментах принята из обыкновенной арматурной проволоки периодического профиля класса Вр-1 по ГОСТ 6727-80. Прочая арматура применяется из обыкновенной арматурной проволоки периодического профиля класса Вр-I по ГОСТ 6727-80 и арматуры класса А-I марки ВСт3сп2 по ГОСТ 5781-82. Строповочные петли изготавливаются из арматуры класса А-I марки ВСт3сп2 по ГОСТ 5781-82. Все элементы армирования и закладные изделия трехлучевых фундаментов покрываются антикоррозийными и гидроизоляционными составами.
Строповка изделий осуществляется с помощью отверстий и строповочных петель, которые после установки фундаментов в грунт основ
ания срезаются с бетонной поверхности. Места среза затем в обязательном порядке покрываются гидроизоляцией.
Будучи изделиями, которые применяются не только в средних, но и в северных широтах, в районах не только с умеренным, но и агрессивным климатом, фундаменты трехлучевые стаканные ТСУ-80-4,0С должны соответствовать самым строгим требованиям к качеству изделий. Контроль ведется на всех этапах изготовления изделий. Даже незначительный брак может привести смещению опоры и, в конечном счете, разрушению конструкции ЛЭП. Поэтому фундаменты не должны иметь трещин, дефектов бетонной поверхности. Усадочные трещины на поверхности изделий должны быть не шире 0,1 мм. Не допускаются раковины, наплывы и сколы в большом количестве. Обнажение арматуры категорически не разрешается.
Данные изделия фундаменты трехлучевые стаканные ТСУ-80-4,0С рекомендуется хранить и транспортировать штабелями. Изделия укладываются друг на друга с применением прокладок и подкладок.
В компании ГК “БЛОК” можно заказать фундаменты трехлучевые стаканные ТСУ-80-4,0С для опор ЛЭП, а также проконсультироваться с нашими специалистами, подобрать требуемые конструкции жби. В нашем отделе продаж можно узнать заранее и уточнить цену трехлучевых фундаментов, стоек, плит, анкеров для них и рассчитать общую стоимость заказа. Купить железобетонный трехлучевой фундамент и проконсультироваться по общим вопросам покупки и доставки Вы можете, позвонив по телефонам компании ГК БЛОК: Санкт-Петербург: (812) 309-22-09, Москва: (495) 646-38-32, Краснодар: (861) 279-36-00. Режим работы компании: Пн-Пт с 9-00 до 18-00. Компания ГК БЛОК осуществляет доставку по всей России прямо до объекта заказчика или на строительную площадку, если позволяет инфраструктура.
|
ГОСТ/Серия
|
Серия 3.501.1-149 вып.1-1 |
|
Длина, мм
|
4000 |
|
Ширина, мм
|
670 |
|
Высота, мм
|
530 |
|
Масса, тонн
|
1.3 |
|
Объем бетона, куб.м
|
0.52 |
|
Класс бетона
|
В30 |
|
Геометрический объем, м.куб
|
1.4204 |
|
Сталь, кг
|
99.65 |
|
Закладная 1
|
Каркас К-1 |
|
Закладная 2
|
Фиксатор Ф5 |
|
Закладная 3
|
Спираль |
|
Закладная 4
|
Хомут |
Как купить
Процесс покупки железобетонных изделий у нас прост и удобен. Следуйте этим шагам:
- Выбор продукции: Ознакомьтесь с нашим ассортиментом и выберите необходимые железобетонные изделия.
- Консультация: Свяжитесь с нашим менеджером для получения консультации по выбору продукции и уточнения всех деталей. Вы можете позвонить нам или написать на электронную почту.
- Оформление заказа: После согласования всех деталей оформите заказ. Менеджер поможет вам заполнить все необходимые документы.
- Согласование доставки: После оформления заказа наш менеджер свяжется с вами для согласования условий и сроков доставки.
- Оплата: Выберите удобный способ оплаты. Мы предлагаем несколько вариантов, включая безналичный расчет.
- Получение товара: После выполнения всех условий заказа, вы получите железобетонные изделия в назначенное время и по согласованному адресу. При получении подпишите акт приема-передачи.
Если у вас возникли вопросы на любом этапе покупки, не стесняйтесь обращаться к нашим менеджерам!
Оплата
Мы принимаем только безналичные платежи и работаем исключительно с юридическими лицами. Пожалуйста, ознакомьтесь с условиями оплаты ниже:
- Способ оплаты: Все расчеты производятся безналичным путем. Мы не принимаем наличные.
- Счет на оплату: После оформления заказа вам будет выставлен счет, который необходимо оплатить в срок, указанный в документе.
- Реквизиты: Все необходимые банковские реквизиты будут предоставлены в счете. Убедитесь, что все данные указаны правильно для успешного перевода.
- Подтверждение оплаты: После осуществления платежа отправьте нам подтверждение, чтобы мы могли оперативно обработать ваш заказ.
- Получение документов: После полной оплаты вы получите все необходимые документы, включая акт выполненных работ, товарные накладные и сертификаты на продукцию.
Мы работаем с НДС и предоставляем все необходимые сертификаты и документы. Все гарантии будут прописаны в договоре, что обеспечивает прозрачность и надежность сотрудничества.
Если у вас есть вопросы по поводу процесса оплаты, не стесняйтесь обращаться к нашим менеджерам за помощью!
Наша оперативность — ваше удобство. Мы гарантируем своевременную доставку железобетонных изделий, что является ключевым фактором для успешной реализации ваших строительных проектов. Доставка осуществляется прямо к вашему объекту с учетом всех стандартов качества.
Основные условия доставки:
• Выбор тарифа: Вы можете выбрать способ расчета стоимости доставки — почасовой или по зонам.
• Согласование: Менеджер свяжется с вами для уточнения деталей после оформления заказа.
• Время на погрузку: Комплектация товара занимает от 1 до 3 дней в зависимости от объема.
• Акт приема-передачи: Продукция передается по акту приема-передачи.
Тарифы на доставку:
Цены варьируются в зависимости от расстояния и региона. Все тарифы включают НДС. При неблагоприятных погодных условиях возможны небольшие изменения в стоимости.
География доставки:
Мы работаем по всей территории РФ и имеем 12 офисов и производств, чтобы обеспечить удобные условия для доставки.
Для точного расчета стоимости доставки обращайтесь к нашим менеджерам!

