Размер шрифта
Цвет фона и шрифта
Изображения
Озвучивание текста
Обычная версия сайта
Завод железобетонных изделий
ГК "БЛОК" - Производство и поставка железобетонных изделий в Краснодаре!

+7 (861) 279-36-00
+7 (861) 279-36-00
Заказать звонок
E-mail
offer@block-gbi.ru
Адрес
г. Краснодар, ул. Северная 326, офис 702
Режим работы
ПН-ПТ - с 9-00 до 18-00
СБ-ВС - выходные
Подать заявку
Главная
Каталог
  • ЖБИ для дорожного строительства
    • Блоки укреплений
    • Водопропускные трубы
    • Камни бортовые
    • Колодцы железобетонные
    • Лотки железобетонные
    • Плиты дорожные
  • ЖБИ для железнодорожного строительства
    • Лотки дренажные
    • Фундаменты трехлучевые
    • Шпалы железобетонные
  • ЖБИ для жилищного строительства
    • Вентиляционные блоки
    • Заборы железобетонные
    • Лестницы железобетонные
    • Перемычки
    • Плиты перекрытий
    • Шахты лифтов
  • ЖБИ для инженерного строительства
    • Камеры тепловые
    • Камеры футерованные
    • Каналы непроходные
    • Каналы сборные
    • Колодцы кабельные
    • Колодцы футерованные
    • Лотки лк
    • Трубы железобетонные
    • Щитовые опоры
  • ЖБИ для мостов, тоннелей и путепроводов
    • Балки мостовые
    • Коллекторы железобетонные
    • Контурные блоки
    • Пустотные плиты
    • Своды железобетонные
    • Тоннели сборные
    • Фермы железобетонные
  • ЖБИ для нефтегазового строительства
    • Сваи железобетонные
    • Столбики сигнальные
    • Утяжелители
  • ЖБИ для промышленного строительства
    • Бомбоубежища
    • Диафрагмы жесткости
    • Прогоны железобетонные
    • Ригели железобетонные
    • Столбы шпалерные (садовые)
    • Фундаментные блоки
  • ЖБИ для энергетического строительства
    • Анкерные плиты
    • Опоры лэп
    • Подстанции
    • Приставки железобетонные
    • Ригели опор
    • Фундаменты опор
  • Нетиповые ЖБИ
    • Волнорезы
    • Плиты тротуарные
Доставка
Оплата
Компания
  • О компании
  • История
  • ГОСТы
  • Сертификаты
  • Заказчики
  • Сотрудники
  • Вакансии
  • Реквизиты
  • Доставка В ЛНР и ДНР
  • Цены на ЖБИ
Объекты
Контакты
Краснодар
Завод железобетонных изделий
ГК "БЛОК" - Производство и поставка железобетонных изделий в Краснодаре!

Краснодар
+7 (861) 279-36-00
+7 (861) 279-36-00
Заказать звонок
E-mail
offer@block-gbi.ru
Адрес
г. Краснодар, ул. Северная 326, офис 702
Режим работы
ПН-ПТ - с 9-00 до 18-00
СБ-ВС - выходные
Заказать звонок
Подать заявку
Главная
Каталог
  • ЖБИ для дорожного строительства
    ЖБИ для дорожного строительства
    • Блоки укреплений      
      • Серии блоков
      • Типы блоков
    • Водопропускные трубы      
      • Серия изготовления
      • Тип звеньев
    • Камни бортовые      
      • Типы бортовых камней
    • Колодцы железобетонные      
      • Диаметры
      • Элементы
    • Лотки железобетонные      
      • ГОСТы и Серии
      • Типы лотков ЖБИ
    • Плиты дорожные      
      • ГОСТы и Серии дорожных плит
      • Типы дорожных плит
  • ЖБИ для железнодорожного строительства
    ЖБИ для железнодорожного строительства
    • Лотки дренажные      
      • Типы дренажных лотков
    • Фундаменты трехлучевые      
      • Серии фундаментов
      • Типы фундаментов
    • Шпалы железобетонные
  • ЖБИ для жилищного строительства
    ЖБИ для жилищного строительства
    • Вентиляционные блоки      
      • ГОСТы вентиляционных блоков
      • Типы вентблоков
    • Заборы железобетонные      
      • Вид забора ЖБИ
      • ГОСТы и Серии ЖБ заборов
    • Лестницы железобетонные      
      • ГОСТы и Серии ЖБ лестниц
      • Элементы лестниц
    • Перемычки
    • Плиты перекрытий      
      • ГОСТы и Серии плит перекрытий
      • Типы плит перекрытий
    • Шахты лифтов      
      • ГОСТы и Серии лифтовых шахт
      • Типы лифтовых шахт
  • ЖБИ для инженерного строительства
    ЖБИ для инженерного строительства
    • Камеры тепловые      
      • Серии тепловых камер
      • Тип элемента камер
    • Камеры футерованные      
      • Типы футерованных камер
    • Каналы непроходные
    • Каналы сборные      
      • Серии
      • Типы
    • Колодцы кабельные      
      • Типы колодцев ККС
    • Колодцы футерованные      
      • Типы футерованных колодцев
    • Лотки лк      
      • Типоразмеры лотков
    • Трубы железобетонные      
      • ГОСТы и Серии ЖБ труб
      • Типы
    • Щитовые опоры      
      • Серии
  • ЖБИ для мостов, тоннелей и путепроводов
    ЖБИ для мостов, тоннелей и путепроводов
    • Балки мостовые      
      • Серии мостовых балок
      • Элементы балок
    • Коллекторы железобетонные      
      • Серии ЖБ коллекторов
      • Типы ЖБ коллекторов
    • Контурные блоки
    • Пустотные плиты      
      • Серии пустотных плит
    • Своды железобетонные      
      • Серии железобетонных сводов
      • Типы конструкций
    • Тоннели сборные      
      • Серии сборных тоннелей
      • Типы сборных тоннелей
    • Фермы железобетонные      
      • Типоразмеры ферм
      • Типы железобетонных ферм
  • ЖБИ для нефтегазового строительства
    ЖБИ для нефтегазового строительства
    • Сваи железобетонные      
      • ГОСТы и Серии
      • Типы
    • Столбики сигнальные
    • Утяжелители      
      • Типы утяжелителей
  • ЖБИ для промышленного строительства
    ЖБИ для промышленного строительства
    • Бомбоубежища      
      • ГОСТы бомбоубежищ
      • Типы бомбоубежищ
    • Диафрагмы жесткости      
      • Серии диафрагм жесткости
      • Типы диафрагм
    • Прогоны железобетонные      
      • Серии ЖБ прогонов
      • Типы ЖБ прогонов
    • Ригели железобетонные      
      • ГОСТы и Серии для ЖБ ригелей
      • Типы железобетонных ригелей
    • Столбы шпалерные (садовые)
    • Фундаментные блоки      
      • ГОСТы и Серии фундаментных блоков
      • Типы фундаментных блоков
  • ЖБИ для энергетического строительства
    ЖБИ для энергетического строительства
    • Анкерные плиты
    • Опоры лэп      
      • Серии опор ЛЭП
      • Типы опор ЛЭП
    • Подстанции      
      • Серии подстанций
      • Элементы подстанций
    • Приставки железобетонные      
      • ГОСТы и Серии ЖБ приставок
    • Ригели опор
    • Фундаменты опор      
      • Серии фундаментов опор
  • Нетиповые ЖБИ
    Нетиповые ЖБИ
    • Волнорезы      
      • Типы волнорезов
    • Плиты тротуарные      
      • ГОСТы и Серии
Доставка
Оплата
Компания
  • О компании
  • История
  • ГОСТы
  • Сертификаты
  • Заказчики
  • Сотрудники
  • Вакансии
  • Реквизиты
  • Доставка В ЛНР и ДНР
  • Цены на ЖБИ
Объекты
Контакты
    Завод железобетонных изделий
    Главная
    Каталог
    • ЖБИ для дорожного строительства
      ЖБИ для дорожного строительства
      • Блоки укреплений      
        • Серии блоков
        • Типы блоков
      • Водопропускные трубы      
        • Серия изготовления
        • Тип звеньев
      • Камни бортовые      
        • Типы бортовых камней
      • Колодцы железобетонные      
        • Диаметры
        • Элементы
      • Лотки железобетонные      
        • ГОСТы и Серии
        • Типы лотков ЖБИ
      • Плиты дорожные      
        • ГОСТы и Серии дорожных плит
        • Типы дорожных плит
    • ЖБИ для железнодорожного строительства
      ЖБИ для железнодорожного строительства
      • Лотки дренажные      
        • Типы дренажных лотков
      • Фундаменты трехлучевые      
        • Серии фундаментов
        • Типы фундаментов
      • Шпалы железобетонные
    • ЖБИ для жилищного строительства
      ЖБИ для жилищного строительства
      • Вентиляционные блоки      
        • ГОСТы вентиляционных блоков
        • Типы вентблоков
      • Заборы железобетонные      
        • Вид забора ЖБИ
        • ГОСТы и Серии ЖБ заборов
      • Лестницы железобетонные      
        • ГОСТы и Серии ЖБ лестниц
        • Элементы лестниц
      • Перемычки
      • Плиты перекрытий      
        • ГОСТы и Серии плит перекрытий
        • Типы плит перекрытий
      • Шахты лифтов      
        • ГОСТы и Серии лифтовых шахт
        • Типы лифтовых шахт
    • ЖБИ для инженерного строительства
      ЖБИ для инженерного строительства
      • Камеры тепловые      
        • Серии тепловых камер
        • Тип элемента камер
      • Камеры футерованные      
        • Типы футерованных камер
      • Каналы непроходные
      • Каналы сборные      
        • Серии
        • Типы
      • Колодцы кабельные      
        • Типы колодцев ККС
      • Колодцы футерованные      
        • Типы футерованных колодцев
      • Лотки лк      
        • Типоразмеры лотков
      • Трубы железобетонные      
        • ГОСТы и Серии ЖБ труб
        • Типы
      • Щитовые опоры      
        • Серии
    • ЖБИ для мостов, тоннелей и путепроводов
      ЖБИ для мостов, тоннелей и путепроводов
      • Балки мостовые      
        • Серии мостовых балок
        • Элементы балок
      • Коллекторы железобетонные      
        • Серии ЖБ коллекторов
        • Типы ЖБ коллекторов
      • Контурные блоки
      • Пустотные плиты      
        • Серии пустотных плит
      • Своды железобетонные      
        • Серии железобетонных сводов
        • Типы конструкций
      • Тоннели сборные      
        • Серии сборных тоннелей
        • Типы сборных тоннелей
      • Фермы железобетонные      
        • Типоразмеры ферм
        • Типы железобетонных ферм
    • ЖБИ для нефтегазового строительства
      ЖБИ для нефтегазового строительства
      • Сваи железобетонные      
        • ГОСТы и Серии
        • Типы
      • Столбики сигнальные
      • Утяжелители      
        • Типы утяжелителей
    • ЖБИ для промышленного строительства
      ЖБИ для промышленного строительства
      • Бомбоубежища      
        • ГОСТы бомбоубежищ
        • Типы бомбоубежищ
      • Диафрагмы жесткости      
        • Серии диафрагм жесткости
        • Типы диафрагм
      • Прогоны железобетонные      
        • Серии ЖБ прогонов
        • Типы ЖБ прогонов
      • Ригели железобетонные      
        • ГОСТы и Серии для ЖБ ригелей
        • Типы железобетонных ригелей
      • Столбы шпалерные (садовые)
      • Фундаментные блоки      
        • ГОСТы и Серии фундаментных блоков
        • Типы фундаментных блоков
    • ЖБИ для энергетического строительства
      ЖБИ для энергетического строительства
      • Анкерные плиты
      • Опоры лэп      
        • Серии опор ЛЭП
        • Типы опор ЛЭП
      • Подстанции      
        • Серии подстанций
        • Элементы подстанций
      • Приставки железобетонные      
        • ГОСТы и Серии ЖБ приставок
      • Ригели опор
      • Фундаменты опор      
        • Серии фундаментов опор
    • Нетиповые ЖБИ
      Нетиповые ЖБИ
      • Волнорезы      
        • Типы волнорезов
      • Плиты тротуарные      
        • ГОСТы и Серии
    Доставка
    Оплата
    Компания
    • О компании
    • История
    • ГОСТы
    • Сертификаты
    • Заказчики
    • Сотрудники
    • Вакансии
    • Реквизиты
    • Доставка В ЛНР и ДНР
    • Цены на ЖБИ
    Объекты
    Контакты
      Краснодар
      +7 (861) 279-36-00
      Заказать звонок
      E-mail
      offer@block-gbi.ru
      Адрес
      г. Краснодар, ул. Северная 326, офис 702
      Режим работы
      ПН-ПТ - с 9-00 до 18-00
      СБ-ВС - выходные
      Подать заявку
      Завод железобетонных изделий
      Телефоны
      +7 (861) 279-36-00
      Заказать звонок
      E-mail
      offer@block-gbi.ru
      Адрес
      г. Краснодар, ул. Северная 326, офис 702
      Режим работы
      ПН-ПТ - с 9-00 до 18-00
      СБ-ВС - выходные
      Завод железобетонных изделий
      • Краснодар
        • Города
        • Благовещенск
        • Владивосток
        • Донецк
        • Екатеринбург
        • Иркутск
        • Калининград
        • Краснодар
        • Красноярск
        • Мариуполь
        • Москва
        • Новосибирск
        • Омск
        • Санкт-Петербург
        • Севастополь
        • Симферополь
        • Тюмень
        • Хабаровск
        • Чита
      • Кабинет
      • Главная
      • Каталог
        • Каталог
        • ЖБИ для дорожного строительства
          • ЖБИ для дорожного строительства
          • Блоки укреплений
            • Блоки укреплений
            • Серии блоков
            • Типы блоков
          • Водопропускные трубы
            • Водопропускные трубы
            • Серия изготовления
            • Тип звеньев
          • Камни бортовые
            • Камни бортовые
            • Типы бортовых камней
          • Колодцы железобетонные
            • Колодцы железобетонные
            • Диаметры
            • Элементы
          • Лотки железобетонные
            • Лотки железобетонные
            • ГОСТы и Серии
            • Типы лотков ЖБИ
          • Плиты дорожные
            • Плиты дорожные
            • ГОСТы и Серии дорожных плит
            • Типы дорожных плит
        • ЖБИ для железнодорожного строительства
          • ЖБИ для железнодорожного строительства
          • Лотки дренажные
            • Лотки дренажные
            • Типы дренажных лотков
          • Фундаменты трехлучевые
            • Фундаменты трехлучевые
            • Серии фундаментов
            • Типы фундаментов
          • Шпалы железобетонные
        • ЖБИ для жилищного строительства
          • ЖБИ для жилищного строительства
          • Вентиляционные блоки
            • Вентиляционные блоки
            • ГОСТы вентиляционных блоков
            • Типы вентблоков
          • Заборы железобетонные
            • Заборы железобетонные
            • Вид забора ЖБИ
            • ГОСТы и Серии ЖБ заборов
          • Лестницы железобетонные
            • Лестницы железобетонные
            • ГОСТы и Серии ЖБ лестниц
            • Элементы лестниц
          • Перемычки
          • Плиты перекрытий
            • Плиты перекрытий
            • ГОСТы и Серии плит перекрытий
            • Типы плит перекрытий
          • Шахты лифтов
            • Шахты лифтов
            • ГОСТы и Серии лифтовых шахт
            • Типы лифтовых шахт
        • ЖБИ для инженерного строительства
          • ЖБИ для инженерного строительства
          • Камеры тепловые
            • Камеры тепловые
            • Серии тепловых камер
            • Тип элемента камер
          • Камеры футерованные
            • Камеры футерованные
            • Типы футерованных камер
          • Каналы непроходные
          • Каналы сборные
            • Каналы сборные
            • Серии
            • Типы
          • Колодцы кабельные
            • Колодцы кабельные
            • Типы колодцев ККС
          • Колодцы футерованные
            • Колодцы футерованные
            • Типы футерованных колодцев
          • Лотки лк
            • Лотки лк
            • Типоразмеры лотков
          • Трубы железобетонные
            • Трубы железобетонные
            • ГОСТы и Серии ЖБ труб
            • Типы
          • Щитовые опоры
            • Щитовые опоры
            • Серии
        • ЖБИ для мостов, тоннелей и путепроводов
          • ЖБИ для мостов, тоннелей и путепроводов
          • Балки мостовые
            • Балки мостовые
            • Серии мостовых балок
            • Элементы балок
          • Коллекторы железобетонные
            • Коллекторы железобетонные
            • Серии ЖБ коллекторов
            • Типы ЖБ коллекторов
          • Контурные блоки
          • Пустотные плиты
            • Пустотные плиты
            • Серии пустотных плит
          • Своды железобетонные
            • Своды железобетонные
            • Серии железобетонных сводов
            • Типы конструкций
          • Тоннели сборные
            • Тоннели сборные
            • Серии сборных тоннелей
            • Типы сборных тоннелей
          • Фермы железобетонные
            • Фермы железобетонные
            • Типоразмеры ферм
            • Типы железобетонных ферм
        • ЖБИ для нефтегазового строительства
          • ЖБИ для нефтегазового строительства
          • Сваи железобетонные
            • Сваи железобетонные
            • ГОСТы и Серии
            • Типы
          • Столбики сигнальные
          • Утяжелители
            • Утяжелители
            • Типы утяжелителей
        • ЖБИ для промышленного строительства
          • ЖБИ для промышленного строительства
          • Бомбоубежища
            • Бомбоубежища
            • ГОСТы бомбоубежищ
            • Типы бомбоубежищ
          • Диафрагмы жесткости
            • Диафрагмы жесткости
            • Серии диафрагм жесткости
            • Типы диафрагм
          • Прогоны железобетонные
            • Прогоны железобетонные
            • Серии ЖБ прогонов
            • Типы ЖБ прогонов
          • Ригели железобетонные
            • Ригели железобетонные
            • ГОСТы и Серии для ЖБ ригелей
            • Типы железобетонных ригелей
          • Столбы шпалерные (садовые)
          • Фундаментные блоки
            • Фундаментные блоки
            • ГОСТы и Серии фундаментных блоков
            • Типы фундаментных блоков
        • ЖБИ для энергетического строительства
          • ЖБИ для энергетического строительства
          • Анкерные плиты
          • Опоры лэп
            • Опоры лэп
            • Серии опор ЛЭП
            • Типы опор ЛЭП
          • Подстанции
            • Подстанции
            • Серии подстанций
            • Элементы подстанций
          • Приставки железобетонные
            • Приставки железобетонные
            • ГОСТы и Серии ЖБ приставок
          • Ригели опор
          • Фундаменты опор
            • Фундаменты опор
            • Серии фундаментов опор
        • Нетиповые ЖБИ
          • Нетиповые ЖБИ
          • Волнорезы
            • Волнорезы
            • Типы волнорезов
          • Плиты тротуарные
            • Плиты тротуарные
            • ГОСТы и Серии
      • Доставка
      • Оплата
      • Компания
        • Компания
        • О компании
        • История
        • ГОСТы
        • Сертификаты
        • Заказчики
        • Сотрудники
        • Вакансии
        • Реквизиты
        • Доставка В ЛНР и ДНР
        • Цены на ЖБИ
      • Объекты
      • Контакты
      Подать заявку
      • 0 Корзина
      • Калькулятор расчета количества машин для транспортировки изделия
      • +7 (861) 279-36-00
        • Телефоны
        • +7 (861) 279-36-00
        • Заказать звонок
      • г. Краснодар, ул. Северная 326, офис 702
      • offer@block-gbi.ru
      • ПН-ПТ - с 9-00 до 18-00
        СБ-ВС - выходные
      Главная
      —
      Продукция
      —
      ЖБИ для промышленного строительства
      —
      Прогоны железобетонные
      —
      Типы ЖБ прогонов
      —
      Прогоны Г-образного сечения
      —Прогон НП 4-45-4.5

      Прогон НП 4-45-4.5

      Прогон НП 4-45-4.5
      14122.5 ₽
      Цена с НДС
      В наличие: много
      Добавить в заказ
      Купить в 1 клик
      Точное соотвествие ГОСТ.
      Прогон НП 4-45-4.5
      Прогон НП 4-45-4.5
      Прогон НП 4-45-4.5
      Прогон НП 4-45-4.5
      Прогон НП 4-45-4.5
      Прогон НП 4-45-4.5
      Прогон НП 4-45-4.5
      Прогон НП 4-45-4.5
      Прогон НП 4-45-4.5
      Прогон НП 4-45-4.5
      Прогон НП 4-45-4.5
      Прогон НП 4-45-4.5
      Прогон НП 4-45-4.5
      Прогон НП 4-45-4.5
      Прогон НП 4-45-4.5
      Прогон НП 4-45-4.5
      Прогон НП 4-45-4.5
      Прогон НП 4-45-4.5
      Прогон НП 4-45-4.5
      Прогон НП 4-45-4.5
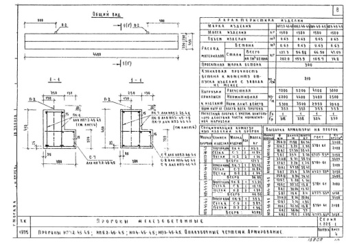
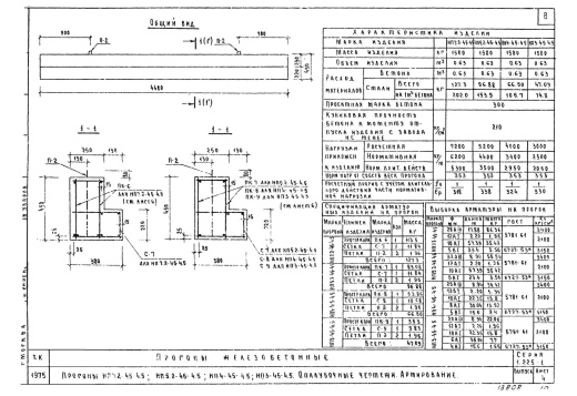
      Характеристики
      ГОСТ/Серия
      —
      Серия 1.225.1
      Длина, мм
      —
      4480
      Ширина, мм
      —
      380
      Высота, мм
      —
      450
      Масса, тонн
      —
      1.58
      Объем бетона, куб.м
      —
      0.63
      Все характеристики
      Цена указана на самовывоз. Итоговую стоимость с доставкой, уточняйте у менеджера
      Прогон НП 4-45-4.5
      14122.5 ₽
      Цена с НДС
      В наличие: много
      Добавить в заказ
      Купить в 1 клик
      Точное соотвествие ГОСТ.
      • Описание
      • Характеристики
      • Документы
      • Как купить
      • Оплата
      • Доставка

      Железобетонные прогоны Г-образного сечения НП 4-45-4.5 для наружных и внутренних кирпичных стен – это линейные конструктивные элементы покрытия зданий, которые служат для поддержания кровли. Прогоны опираются на основные несущие конструкции сооружений (стены, колонны, балки, траверсы, фермы и опорные плиты), на которые передают нагрузку от кровли. Прогоны применяются также для перекрытия проемов и арок в стенах общественных зданий.

      Промышленное строительство – это основное направление, в котором применяются железобетонные прогоны Г-образного сечения НП 4-45-4.5 для наружных и внутренних кирпичных стен, например, при возведении общественных зданий и зданий административно-бытового назначения со стенами из кирпича или крупных блоков. Однако простота и универсальность конструкции позволяет использовать данные ЖБИ и в других видах строительства: с помощью высокопрочных жб прогонов и плит возводятся мосты, тоннели и путепроводы.

      Железобетонные прогоны Г-образного сечения НП 4-45-4.5 для наружных и внутренних кирпичных стен изготавливаются в соответствии с ГОСТ 26992 «Прогоны железобетонные для покрытий зданий промышленных и сельскохозяйственных предприятий. Технические условия» и сериями 1.225-2 «Железобетонные прогоны», 1.225.1-3 «Прогоны железобетонные длиной 448, 598 и 898 см с односторонней полкой для наружных и внутренних кирпичных стен общественны зданий» и 1.462-14 «Железобетонные прогоны для покрытий зданий».

      Железобетонные прогоны Г-образного сечения НП 4-45-4.5 для наружных и внутренних кирпичных стен изготавливаются из тяжелого бетона классом по прочности на сжатие от В15. Конструкции, предназначенные для эксплуатации при слабоагрессивной степени воздействия газовой среды, изготавливаются из бетона нормальной проницаемости, а конструкции, предназначенные для эксплуатации при среднеагрессивной степени воздействия газовой среды, – из бетона пониженной степени проницаемости. Значение нормируемой отпускной прочности бетона предварительно напряженных изделий принимается равным значению нормируемой передаточной прочности бетона, а прогонов с ненапрягаемой продольной арматурой – 70% класса бетона по прочности на сжатие. При поставке прогонов в холодный период года допускается повышать значение нормируемой отпускной прочности бетона до 90% класса бетона по прочности на сжатие.

      Железобетонные прогоны Г-образного сечения НП 4-45-4.5 для наружных и внутренних кирпичных стен армируются сварными каркасами и сетками из ненапрягаемой или предварительно напрягаемой арматуры. В качестве напрягаемой продольной арматуры изделий, предназначенных для эксплуатации в неагрессивной среде, применяется стержневая арматурная горячекатаная сталь классов A-IV и А-V и термически и термомеханически упрочненная сталь классов Ат-IV и Ат-V. В прогонах и плитах первой категории качества допускается применение горячекатаной стержневой арматурной стали класса А-IIIв, упрочненной вытяжкой с контролем величины напряжения и предельного удлинения.

      В качестве напрягаемой продольной арматуры прогонов, предназначенных для работы в условиях воздействия агрессивной среды, применяется стержневая термомеханически и термически упрочненная сталь повышенной стойкости против коррозионного растрескивания классов Ат-VCK и Ат-IVK и горячекатаная сталь классов A-IV и А-IIIв.

      Железобетонные прогоны Г-образного сечения НП 4-45-4.5 для наружных и внутренних кирпичных стен из ненапрягаемой арматуры армируются сетками и каркасами из стержневой горячекатаной стали класса А-III, термомеханически упрочненной стали класса Ат-IIIС (для прогонов и плит, применяемых в неагрессивной и слабоагрессивной газовых средах) и арматурной проволоки периодического профиля класса Вр-I и гладкого профиля класса В-I.

      Железобетонные прогоны Г-образного сечения НП 4-45-4.5 для наружных и внутренних кирпичных стен являются ответственными изделиями, от которых зависит надежность конструкций, поэтому к качеству их изготовления предъявляются достаточно строгие требования. Например, в бетоне верхних поясов прогонов допускается образование поперечных трещин, образующихся от обжатия бетона, но ширина раскрытия этих трещин должна быть не более 0,2 мм, а глубина – не более 1/3 высоты сечения. В остальных местах допускаются усадочные и другие технологические трещины шириной не более 0,05 мм. На верхней поверхности бетона изделий допускаются раковины диаметром не более 20 мм, на боковых и нижней поверхности – не более 15 мм. Высота местных наплывов и глубина впадин должны быть не более 5 мм. Глубина околов бетона на ребре должны быть не более 10 мм, суммарная длина околов на 1 метр ребра должна быть менее 100 мм. Обнажение арматуры категорически не допускается, за исключением концов напрягаемой арматуры, которые не должны выступать за торцовые поверхности прогонов более чем на 10 мм и должны быть защищены слоем цементно-песчаного раствора или битумным лаком.

      Жб прогоны Г-образного сечения НП 4-45-4.5 для наружных и внутренних кирпичных стен должны изготавливаться в соответствии с чертежами ГОСТ и серий. Допустимые отклонения от ли
      нейных размеров должны быть не более 10 мм – по длине прогона, 5 мм – по высоте, 4 мм – по ширине поясов и 2 мм – по высоте поясов. Допускается отклонение по толщине стенки изделий, но не более 3 мм. Отклонение от прямолинейности реального профиля прогонов в любом сечении на длине 2,5 м должно быть не более 4 мм. Отклонение от прямолинейности профиля лицевой поверхности прогона по всей его длине должно составлять не более 10 мм.

      Железобетонные прогоны Г-образного сечения НП 4-45-4.5 для наружных и внутренних кирпичных стен хранят и транспортируют в горизонтальном положении, в штабелях высотой не более 2 м. При этом ребро прогона должно находиться в вертикальной плоскости. Штабели должны иметь не более 3х рядов по высоте, при этом высота не должна превышать ширину более чем в 2 раза. Подкладки под нижний ряд изделий и прокладки между ними устанавливаются в зоне опорных закладных деталей строго по одной вертикали. Ширина прокладок назначается с учетом прочности древесины на смятие. Расстояние между соседними штабелями должно быть не менее 0,2 м, а проходы между штабелями иметь ширину не менее 1 м. Выбор транспортных средств для транспортирования прогонов и плит производится с учетом массы и размеров изделий, дальности перевозки и дорожных условий.

      В компании ГК «БЛОК» можно не только заказать железобетонные прогоны Г-образного сечения НП 4-45-4.5 для наружных и внутренних кирпичных стен, но и проконсультироваться с нашими специалистами, подобрать требуемые конструкции железобетонных изделий. В нашем отделе продаж можно заранее узнать и уточнить цену железобетонных прогонов и опорных плит и рассчитать общую стоимость заказа. Купить железобетонные прогоны и проконсультироваться по общим вопросам покупки и доставки Вы можете, позвонив по телефонам компании ГК «БЛОК»: Санкт-Петербург: (812) 309-22-09, Москва: (495) 646-38-32, Краснодар: (861) 279-36-00. Режим работы компании: Пн-Пт с 9-00 до 18-00. Компания ГК «БЛОК» осуществляет доставку железобетонных прогонов и опорных плит по всей России прямо до объекта заказчика или на строительную площадку, если позволяет инфраструктура.

      Характеристики
      ГОСТ/Серия
      Серия 1.225.1
      Длина, мм
      4480
      Ширина, мм
      380
      Высота, мм
      450
      Масса, тонн
      1.58
      Объем бетона, куб.м
      0.63
      Класс бетона
      В22,5
      Геометрический объем, м.куб
      0.76608
      Сталь, кг
      66.5
      Закладная 1
      ПК8
      Закладная 2
      С8
      Закладная 3
      П2
      Закладная 4
      1
      Документы
      seriya-1-225-1
      3,5 Мб

      Как купить

      Процесс покупки железобетонных изделий у нас прост и удобен. Следуйте этим шагам:

      1. Выбор продукции: Ознакомьтесь с нашим ассортиментом и выберите необходимые железобетонные изделия.
      2. Консультация: Свяжитесь с нашим менеджером для получения консультации по выбору продукции и уточнения всех деталей. Вы можете позвонить нам или написать на электронную почту.
      3. Оформление заказа: После согласования всех деталей оформите заказ. Менеджер поможет вам заполнить все необходимые документы.
      4. Согласование доставки: После оформления заказа наш менеджер свяжется с вами для согласования условий и сроков доставки.
      5. Оплата: Выберите удобный способ оплаты. Мы предлагаем несколько вариантов, включая безналичный расчет.
      6. Получение товара: После выполнения всех условий заказа, вы получите железобетонные изделия в назначенное время и по согласованному адресу. При получении подпишите акт приема-передачи.

      Если у вас возникли вопросы на любом этапе покупки, не стесняйтесь обращаться к нашим менеджерам!

      Оплата

      Мы принимаем только безналичные платежи и работаем исключительно с юридическими лицами. Пожалуйста, ознакомьтесь с условиями оплаты ниже:

      1. Способ оплаты: Все расчеты производятся безналичным путем. Мы не принимаем наличные.
      2. Счет на оплату: После оформления заказа вам будет выставлен счет, который необходимо оплатить в срок, указанный в документе.
      3. Реквизиты: Все необходимые банковские реквизиты будут предоставлены в счете. Убедитесь, что все данные указаны правильно для успешного перевода.
      4. Подтверждение оплаты: После осуществления платежа отправьте нам подтверждение, чтобы мы могли оперативно обработать ваш заказ.
      5. Получение документов: После полной оплаты вы получите все необходимые документы, включая акт выполненных работ, товарные накладные и сертификаты на продукцию.

      Мы работаем с НДС и предоставляем все необходимые сертификаты и документы. Все гарантии будут прописаны в договоре, что обеспечивает прозрачность и надежность сотрудничества.

      Если у вас есть вопросы по поводу процесса оплаты, не стесняйтесь обращаться к нашим менеджерам за помощью!

      Наша оперативность — ваше удобство. Мы гарантируем своевременную доставку железобетонных изделий, что является ключевым фактором для успешной реализации ваших строительных проектов. Доставка осуществляется прямо к вашему объекту с учетом всех стандартов качества.

      Основные условия доставки:
      • Выбор тарифа: Вы можете выбрать способ расчета стоимости доставки — почасовой или по зонам.
      • Согласование: Менеджер свяжется с вами для уточнения деталей после оформления заказа.
      • Время на погрузку: Комплектация товара занимает от 1 до 3 дней в зависимости от объема.
      • Акт приема-передачи: Продукция передается по акту приема-передачи.

      Тарифы на доставку:
      Цены варьируются в зависимости от расстояния и региона. Все тарифы включают НДС. При неблагоприятных погодных условиях возможны небольшие изменения в стоимости.

      География доставки:
      Мы работаем по всей территории РФ и имеем 12 офисов и производств, чтобы обеспечить удобные условия для доставки.

      Для точного расчета стоимости доставки обращайтесь к нашим менеджерам!

      Назад к списку
      Каталог
      Доставка
      Компания
      Контакты
      Подписаться на рассылку
      +7 (861) 279-36-00
      +7 (861) 279-36-00
      Заказать звонок
      E-mail
      offer@block-gbi.ru
      Адрес
      г. Краснодар, ул. Северная 326, офис 702
      Режим работы
      ПН-ПТ - с 9-00 до 18-00
      СБ-ВС - выходные
      Заказать звонок
      offer@block-gbi.ru
      г. Краснодар, ул. Северная 326, офис 702
      © 2026 Производство и поставки железобетонных изделий. ООО «СК «Блок» ИНН 7842359185 / КПП 772601001

      Обращаем ваше внимание на то, что данный интернет-сайт, а также вся информация о товарах и ценах, предоставленная на нём, носит исключительно информационный характер и ни при каких условиях не является публичной офертой, определяемой положениями Статьи 437 Гражданского кодекса Российской Федерации. Для получения подробной информации о наличии и стоимости указанных товаров и (или) услуг, пожалуйста, обращайтесь к менеджеру сайта с помощью специальной формы связи или по телефону

      Политика конфиденциальности
      Карта сайта
      0

      Корзина

      Очистить корзину

      Ваша корзина пуста

      Исправить это просто: выберите в каталоге интересующий товар и нажмите кнопку «В корзину»
      В каталог
      Главная 0 Корзина Каталог Калькулятор Поиск Регион Кабинет Контакты