Лоток ЛКО 300.240.120-6 сборных каналов и тоннелей – это железобетонный высокопрочный элемент каналов и тоннелей внутри и вне различных зданий. Это железобетонное изделие представляет собой бетонную армированную скобу с П-образным поперечным сечением. Форма лотка лк обуславливается его защитной функцией, жидкости не могут покинуть своего русла, а трубопровод или иные коммуникации внутри незакрытого плитой лотка защищены с трех сторон.
В компании ООО БЛОК можно заказать лотки ЛКО 300.240.120-6 сборных каналов и тоннелей, а так же проконсультироваться с нашими специалистами, подобрать требуемые железобетонные изделия. Купить лоток ЛКО 300.240.120-6 сборных каналов и тоннелей и проконсультироваться по общим вопросам покупки и доставки Вы можете позвонив по телефонам компании ГК БЛОК: Санкт-Петербург: (812) 309-22-09, Москва: (495) 646-38-32, Краснодар: (861) 279-36-00. Режим работы компании: Пн-Пт с 9-00 до 18-00. Компанией БЛОК осуществляется доставка лотков ЛКО 300.240.120-6 сборных каналов и тоннелей по всей России прямо до объекта заказчика или на строительную площадку, если позволяет инфраструктура. В нашем отделе продаж можно узнать заранее уточнить цену лотков ЛКО 300.240.120-6 сборных каналов и тоннелей и рассчитать общую стоимость заказа.
Железобетонные лотки ЛКО 300.240.120-6 сборных каналов и тоннелей это основной элемент дренажного водоотвода. Железобетонные каналы на основе лотков лк используют в качестве водостоков для отвода и перехвата ливневых и дождевых вод от автодорог, жилых зон, автопарковок, пешеходных площадок и др. Также лотки широко применяются в гражданском, жилищном и индустриальном строительстве для создания герметичных каналов.
Лотки ЛК отлично показали себя в строительстве дорог и сложных инженерных сооружениях. Через лотки возможен прямой пропуск жидкостей, что часто используется в цеховых каналах.
Лоток ЛКО 300.240.120-6 сборных каналов и тоннелей является железобетонным элементом, через который прокладываются различные трубопроводы, теплотрассы, сети электрокабелей и электротехнических шин. НА конечном этапе сборки каналов лотки покрываются плитами перекрытия. Благодаря обширной номенклатуре и использованию высококачественных материалов лотки ЛК получили широкое распространение и используются в разнородных грунтовых условиях.
Тоннели и каналы из железобетонных лотков прокладывают как в обычных грунтах, без грунтовых вод и сейсмических воздействий, на просадочных грунтах и при обилии грунтовых вод. Лотки ЛКО 300.240.120-6 сборных каналов и тоннелей повышенной прочности применяют в районах с сейсмичностью до 9 баллов включительно.
Лотки, на конечном этапе монтажа, покрываются плитами перекрытия. Получается полностью упакованный канал инженерной коммуникации, обеспечивающий наилучшую защиту и изоляцию. Лотки ЛК выдерживают нагрузки от 3 до 15 тс/м2.
регионах с повышенной сейсмической активностью особенно остро нуждаются в прочных трубопроводах из лотков ЛК. Даже при небольших толчках стальные трубы тепломагистралей, могут разорваться по сварочным швам. А сооружение теплотрассы железобетонными лотками способны выдерживать землетрясения силой до 9 баллов.
Изготавливается лоток ЛКО 300.240.120-6 сборных каналов и тоннелей методом вибропрессования из тяжелых марок бетона плотностью 2400 кг/м3 класса на сжатие В 15. Армируется сварными сетками и каркасами из стали классов A-I и A-III, при этом бетонный защитный слой составляет не менее 15 мм.
Современный бетон, используемый для заливки лотков ЛК, претерпел изменения своего состава и с помощью дополнительных компонентов он стал обладать еще большим запасом прочности, водостойкости и долговечности. Традиционно применяется бетон морозостойкостью F300, но состав бетона лотков зависит от индивидуальных требований проекта и может варьироваться. Водонепроницаемость – очень важное качество для бетона лотков, которое обеспечивает герметичность изделий. Бетона лотка по водонепроницаемости должен быть не ниже W4. Благодаря нестандартному составу бетона канал на долгий срок сохраняет тепло и сухость, защищая как саму трубу, так и ее изоляцию. Внутри лотка ЛКО 300.240.120-6 сборных каналов и тоннелей создается, своего рода, воздушная подушка, которая является естественным термоизолятором и помогает смягчать температурные перепады.
За счет своей монолитности лоток ЛКО 300.240.120-6 сборных каналов и тоннелей имеет достаточно большую массу, его монтаж проводится специальным оборудованием за петли, заложенные в конструкцию жб изделия. Закладные детали лотков ЛК служат для крепления кабелей, трубопроводов и других коммуникаций. Прямоугольные лотки ЛК также предварительно защищаются от агрессивного химического воздействия сред и грунтовых вод, предотвращая преждевременную коррозию.
Каналы, монтируемые из сборных железобетонных элементов ЛК, сооружаются в ставнительно короткие сроки и отличаются эксплуатационной практичностью и долговечностью. Собранные из лотков ЛК и плит коммуникационные каналы намного удобнее других для проведения плановых осмотров и ремонтов труб. Минимальная сложность работ при разборе такой теплотрассы – она раскапывается, плиты-крышки лотков снимаются, и трубы при необходимости заменяются. При этом сами железобетонные лотки остаются на месте и вместе с плитами продолжают эксплуатироваться еще долгое время.
В стандартной конструкции лотка ЛКО 300.240.120-6 сборных каналов и тоннелей отсутствуют проемы для стыкования с узлами трасс.
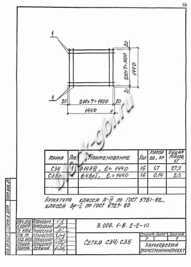
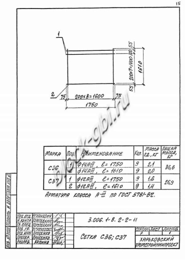
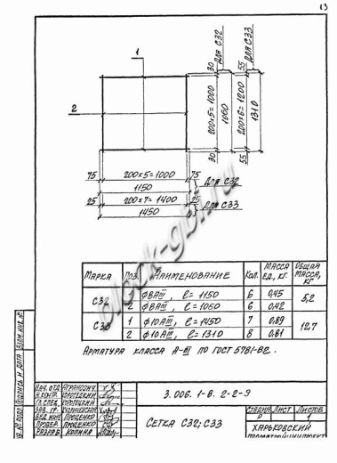
Маркировка лотков ЛКО 300.240.120-6 сборных каналов и тоннелей
Условное обозначение изделия принято как комбинация цифр и букв. Буквами в начале обозначают тип изделия, затем габаритный размер лотка: длину, ширину и высоту в сантиметрах. Дополнительные закладные жб изделия обозначаются буквой «а».
Маркировка лотка ЛКО 300.240.120-6 сборных каналов и тоннелей:
- ЛК – тип элемента – лоток;
- Цифра – длина лотка;
- Цифра – ширина лотка;
- Цифра – высота лотка;
- Цифра – расчетная вертикальная нагрузка в тс/м2;
- а – наличие дополнительных закладных изделий.
На боковой грани лотка ЛКО 300.240.120-6 сборных каналов и тоннелей обязательно указывают маркировочные знаки, а также дату выпуска и массу изделия.
Применение лотков ЛКО 300.240.120-6 сборных каналов и тоннелей
Железобетонные конструкции из лотков делятся на два типа: каналы – высотой до 1500 и тоннели – высотой выше 1800 мм. Лотки применяют в односекционных и многосекционных каналах, т.е. параллельно устанавливаемых лотках ЛК. Такие каналы устраивают в цехах с минимальным погружением от уровня пола до верха перекрытия 0,3 м.
Лотки ЛКО 300.240.120-6 сборных каналов и тоннелей также могут быть предназначены для опирания на плиты или перекрывания плоскими съемными плитами. Это обусловлено типоразмерами жб изделия и его конструкцией – нижней или верхней. Некоторые виды каналов создаются соединением верхних элементов лотка с нижними, укладыванием друг на друга с помощью коротышей из швеллеров, закладываемых в продольные швы.
После соединения лотков ЛК их швы закладываются раствором или мастикой, а после гидроизолируются. Без грунтовых вод лотки ЛКО 300.240.120-6 сборных каналов и тоннелей укладываются на 10-сантиметровой толщины песчаное основание с небольшим уклоном (0,002) для отвода случайных вод. Подъем лотков ЛК производится за монтажные петли или строповочные отверстия. За петли поднимаю изделия, устанавливаемые плитой вверх, отверстия используют при укладке лотка ЛК плитой вниз. Прямоугольные лотки ЛК могут применяться как основа для небольших тоннелей и пешеходных переходов в несейсмических районах.
Контроль качества производства лотков ЛКО 300.240.120-6 сборных каналов и тоннелей
Путем первичного сплошного осмотра оценивают фактическое состояние бетона лотка и отбраковывают изделия имеющие серьезные дефекты: обнажения рабочей арматуры или глубокие трещины. Канал или тоннель, как и сам лоток ЛК, не должен иметь трещин для создания прочных подземных коридоров. Возможны только усадочные трещины шириной не более 0,3 мм.
Каждый лоток ЛКО 300.240.120-6 сборных каналов и тоннелей должен соответствовать своим проектным размерам. Длина и ширина элемента каналов может быть сверх расчетной на 10 мм, а высота на 7 мм.
Чтобы стыковка лотка ЛК и ее плиты перекрытия была лучше, должна соблюдаться прямолинейность профиля, т.е. допустимые отклонения не более 8-10 мм по всей поверхности изделия. Защитный слой бетона должен иметь равномерную толщину и не отклоняться от нормы более чем на 5 мм.
Вес лотка ЛКО 300.240.120-6 сборных каналов и тоннелей может отклонятся в пределах 7%. Сварные каркасы и сетки ни в коем случае не должны быть обнажены. Закладные изделия лотка ЛК должны быть обязательно обработаны антикоррозийным составом. Раковины, наплывы и впадины в бетоне поверхности железобетонных лотков ЛК не должны быть более 3-6 мм в диаметре.
На приемо-сдаточных испытаниях контролируют следующие параметры лотков ЛК:
- прочность бетона (класс бетона по прочности на сжатие, отпускная прочность);
- соответствие арматурных и закладных изделий;
- качество сварных соединений;
- толщина защитного слоя бетона до арматуры;
- точность габаритных размеров;
Партию лотков ЛК должен сопровождать технический паспорт, в котором указывается:
- марку бетона по прочности и его среднюю плотность;
- отпускную прочность бетона и фактическую отпускную плотность бетона;
- марку бетона по морозостойкости и водонепроницаемости;
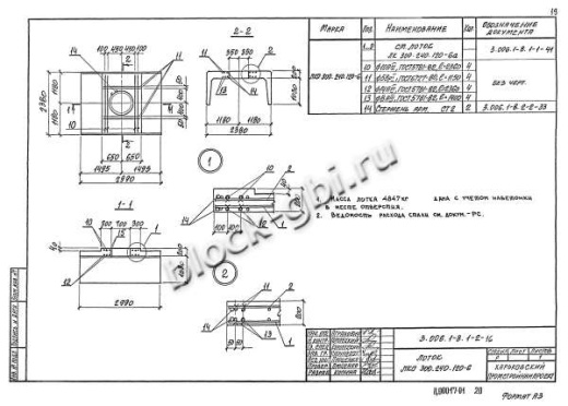
|
ГОСТ/Серия
|
3.006.1-8. |
|
Длина, мм
|
2990 |
|
Ширина, мм
|
2380 |
|
Высота, мм
|
2380 |
|
Масса, тонн
|
4.85 |
|
Объем бетона, куб.м
|
1.94 |
|
Класс бетона
|
В15 |
|
Геометрический объем, м.куб
|
Серия 3.006.1-8 |
Как купить
Процесс покупки железобетонных изделий у нас прост и удобен. Следуйте этим шагам:
- Выбор продукции: Ознакомьтесь с нашим ассортиментом и выберите необходимые железобетонные изделия.
- Консультация: Свяжитесь с нашим менеджером для получения консультации по выбору продукции и уточнения всех деталей. Вы можете позвонить нам или написать на электронную почту.
- Оформление заказа: После согласования всех деталей оформите заказ. Менеджер поможет вам заполнить все необходимые документы.
- Согласование доставки: После оформления заказа наш менеджер свяжется с вами для согласования условий и сроков доставки.
- Оплата: Выберите удобный способ оплаты. Мы предлагаем несколько вариантов, включая безналичный расчет.
- Получение товара: После выполнения всех условий заказа, вы получите железобетонные изделия в назначенное время и по согласованному адресу. При получении подпишите акт приема-передачи.
Если у вас возникли вопросы на любом этапе покупки, не стесняйтесь обращаться к нашим менеджерам!
Оплата
Мы принимаем только безналичные платежи и работаем исключительно с юридическими лицами. Пожалуйста, ознакомьтесь с условиями оплаты ниже:
- Способ оплаты: Все расчеты производятся безналичным путем. Мы не принимаем наличные.
- Счет на оплату: После оформления заказа вам будет выставлен счет, который необходимо оплатить в срок, указанный в документе.
- Реквизиты: Все необходимые банковские реквизиты будут предоставлены в счете. Убедитесь, что все данные указаны правильно для успешного перевода.
- Подтверждение оплаты: После осуществления платежа отправьте нам подтверждение, чтобы мы могли оперативно обработать ваш заказ.
- Получение документов: После полной оплаты вы получите все необходимые документы, включая акт выполненных работ, товарные накладные и сертификаты на продукцию.
Мы работаем с НДС и предоставляем все необходимые сертификаты и документы. Все гарантии будут прописаны в договоре, что обеспечивает прозрачность и надежность сотрудничества.
Если у вас есть вопросы по поводу процесса оплаты, не стесняйтесь обращаться к нашим менеджерам за помощью!
Наша оперативность — ваше удобство. Мы гарантируем своевременную доставку железобетонных изделий, что является ключевым фактором для успешной реализации ваших строительных проектов. Доставка осуществляется прямо к вашему объекту с учетом всех стандартов качества.
Основные условия доставки:
• Выбор тарифа: Вы можете выбрать способ расчета стоимости доставки — почасовой или по зонам.
• Согласование: Менеджер свяжется с вами для уточнения деталей после оформления заказа.
• Время на погрузку: Комплектация товара занимает от 1 до 3 дней в зависимости от объема.
• Акт приема-передачи: Продукция передается по акту приема-передачи.
Тарифы на доставку:
Цены варьируются в зависимости от расстояния и региона. Все тарифы включают НДС. При неблагоприятных погодных условиях возможны небольшие изменения в стоимости.
География доставки:
Мы работаем по всей территории РФ и имеем 12 офисов и производств, чтобы обеспечить удобные условия для доставки.
Для точного расчета стоимости доставки обращайтесь к нашим менеджерам!

