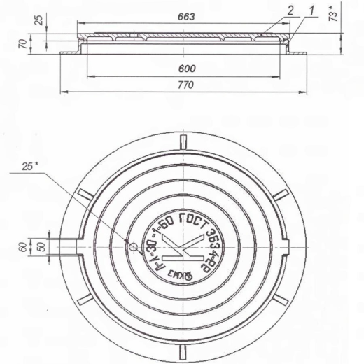
Люк Л — это классическое исполнение чугунного люка, используемого при перекрытии смотровых, дренажных, канализационных и водопроводных колодцев. Изделие выполнено из прочного серого чугуна, устойчивого к нагрузкам и воздействию окружающей среды. Обеспечивает герметичность и безопасность доступа к подземным инженерным сетям.
Область применения
Люк марки Л применяется при строительстве:
- канализационных и дождевых колодцев на участках с низкой транспортной нагрузкой;
- частных водопроводных шахт;
- технических и инженерных приямков;
- объектов ландшафтного благоустройства, где требуется минимальная нагрузочная устойчивость.
Этот тип люка оптимален для установки на тротуарах, пешеходных зонах, придомовых территориях и участках без движения тяжёлого транспорта.
Преимущества
- Изготовление из качественного серого чугуна с высокой износостойкостью.
- Устойчивость к коррозии, осадкам и перепадам температур.
- Простая установка и плотное прилегание к посадочному месту.
- Срок службы — более 20 лет при правильной эксплуатации.
- Классическая форма и надёжный механизм фиксации крышки.
Контроль качества
Каждое изделие проходит проверку на соответствие стандартам — по прочности, весу, геометрии и толщине стенок. Производство организовано в соответствии с техническими условиями и отраслевыми требованиями, предусмотрен контроль отливки и охлаждения, что исключает появление скрытых дефектов.
Условия транспортировки и хранения
Люки доставляются в штабелированном виде на поддонах или в индивидуальной упаковке, в зависимости от объёма партии. Перевозка возможна автотранспортом любого типа. Допускается хранение на открытых площадках без потери потребительских характеристик.
Где купить чугунный люк Л
Компания Блок-ЖБИ предлагает купить чугунный люк Л с гарантией качества напрямую от производителя. В наличии — стандартные модели по доступным ценам, помощь в подборе, сертификаты соответствия. Организуем доставку по Краснодару и регионам РФ. Чтобы заказать чугунные люки — звоните или оставляйте заявку, и мы подготовим для вас оптимальное предложение!
Смотрите также:
| Варианты написания товара |
|---|
| Люк Л |
| Л люк |
| Люк Л ГОСТ 3634-99 |
| Л ГОСТ 3634-99 |
| Люк стандартный Л |
| Стандартный люк Л |
| Люк Л ГОСТ 3634-89 |
| Л ГОСТ 3634-89 |
|
ГОСТ/Серия
|
ГОСТ 3634-89 |
|
Длина, мм
|
770 |
|
Высота, мм
|
70 |
|
Масса, тонн
|
0.06 |
|
Объем бетона, куб.м
|
0.024 |
|
Класс бетона
|
В22,5 |
|
Геометрический объем, м.куб
|
0.035 |
Как купить
Процесс покупки железобетонных изделий у нас прост и удобен. Следуйте этим шагам:
- Выбор продукции: Ознакомьтесь с нашим ассортиментом и выберите необходимые железобетонные изделия.
- Консультация: Свяжитесь с нашим менеджером для получения консультации по выбору продукции и уточнения всех деталей. Вы можете позвонить нам или написать на электронную почту.
- Оформление заказа: После согласования всех деталей оформите заказ. Менеджер поможет вам заполнить все необходимые документы.
- Согласование доставки: После оформления заказа наш менеджер свяжется с вами для согласования условий и сроков доставки.
- Оплата: Выберите удобный способ оплаты. Мы предлагаем несколько вариантов, включая безналичный расчет.
- Получение товара: После выполнения всех условий заказа, вы получите железобетонные изделия в назначенное время и по согласованному адресу. При получении подпишите акт приема-передачи.
Если у вас возникли вопросы на любом этапе покупки, не стесняйтесь обращаться к нашим менеджерам!
Оплата
Мы принимаем только безналичные платежи и работаем исключительно с юридическими лицами. Пожалуйста, ознакомьтесь с условиями оплаты ниже:
- Способ оплаты: Все расчеты производятся безналичным путем. Мы не принимаем наличные.
- Счет на оплату: После оформления заказа вам будет выставлен счет, который необходимо оплатить в срок, указанный в документе.
- Реквизиты: Все необходимые банковские реквизиты будут предоставлены в счете. Убедитесь, что все данные указаны правильно для успешного перевода.
- Подтверждение оплаты: После осуществления платежа отправьте нам подтверждение, чтобы мы могли оперативно обработать ваш заказ.
- Получение документов: После полной оплаты вы получите все необходимые документы, включая акт выполненных работ, товарные накладные и сертификаты на продукцию.
Мы работаем с НДС и предоставляем все необходимые сертификаты и документы. Все гарантии будут прописаны в договоре, что обеспечивает прозрачность и надежность сотрудничества.
Если у вас есть вопросы по поводу процесса оплаты, не стесняйтесь обращаться к нашим менеджерам за помощью!
Наша оперативность — ваше удобство. Мы гарантируем своевременную доставку железобетонных изделий, что является ключевым фактором для успешной реализации ваших строительных проектов. Доставка осуществляется прямо к вашему объекту с учетом всех стандартов качества.
Основные условия доставки:
• Выбор тарифа: Вы можете выбрать способ расчета стоимости доставки — почасовой или по зонам.
• Согласование: Менеджер свяжется с вами для уточнения деталей после оформления заказа.
• Время на погрузку: Комплектация товара занимает от 1 до 3 дней в зависимости от объема.
• Акт приема-передачи: Продукция передается по акту приема-передачи.
Тарифы на доставку:
Цены варьируются в зависимости от расстояния и региона. Все тарифы включают НДС. При неблагоприятных погодных условиях возможны небольшие изменения в стоимости.
География доставки:
Мы работаем по всей территории РФ и имеем 12 офисов и производств, чтобы обеспечить удобные условия для доставки.
Для точного расчета стоимости доставки обращайтесь к нашим менеджерам!

