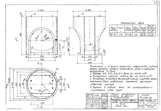
Описание колодца ВС-15
Колодцы железобетонные стеновые (ВС) Альбом РК 2201-82 применяются для устройства вертикальных конструкций, таких как смотровые колодцы, дренажные системы и другие подземные сооружения различного назначения. Изделия изготавливаются из высокопрочного бетона с армированием стальной арматурой, что обеспечивает их прочность, устойчивость к нагрузкам и долговечность.
Применение колодца ВС-15
Колодец ВС-15 используется как элемент для строительства вертикальных конструкций, таких как смотровые колодцы, дренажные системы и другие подземные сооружения. Он служит важной частью системы, обеспечивающей герметичность, защиту трубопроводов и удобство доступа к подземным сетям. Для монтажа могут применяться дополнительные элементы: раствор, закладные детали и другие комплектующие.
Типы колодцев
Колодцы железобетонные подразделяются на несколько типов в зависимости от размеров и назначения:
- ВС: колодец стеновой;
- КС: колодец стеновой стандартный;
- ДК: днище колодца;
- ПК: плита перекрытия колодца.
Размеры зависят от типа: диаметр 1500–3000 мм, высота 1500–3000 мм.
Основные параметры, размеры и характеристики
- Длина (внешний диаметр), мм: 1680
- Ширина (внутренний диаметр), мм: 1500
- Высота, мм: 1980
- Геометрический объем, м³: 5,59
- Объем бетона, м³: 1,02
- Масса, тонн: 2,56
- Расход стали, кг: 33,27
Дополнительные характеристики
- Класс бетона: В22,5 (марка М300)
- Марка по морозостойкости: F200–F300
- Марка по водонепроницаемости: W6–W8
- Закладные детали:
- Каркас Кп1 (основное армирование);
- Петля П1 (монтажный элемент).
- Технология изготовления: вибропрессование или формование с использованием высокопрочного бетона.
Нормы загрузки
- Норма загрузки в автотранспорт 20 т, шт: 7
Документы
- Нормативный документ: Альбом РК 2201-82
Расшифровка маркировки ВС-15
Маркировка "ВС-15" содержит следующую информацию:
- ВС – колодец стеновой;
- 15 – внутренний диаметр колодца в дециметрах (1500 мм).
Условия транспортировки и хранения
Колодцы ВС-15 перевозятся автомобильным или железнодорожным транспортом с использованием специальных захватных устройств (строп). Хранение осуществляется на ровных площадках с твердым покрытием. Колодцы устанавливаются горизонтально в штабель высотой не более 2,5 м. Для предотвращения повреждений между изделиями устанавливаются деревянные прокладки.
Контроль качества колодца ВС-15
Каждый колодец ВС-15 проходит многоступенчатый контроль качества в соответствии с Альбом РК 2201-82. Проверяются:
- прочность бетона (не ниже класса В22,5);
- соответствие геометрических размеров проектным данным;
- качество армирования (наличие арматурного каркаса, толщина защитного слоя бетона);
- морозостойкость и водонепроницаемость бетона;
- точность расположения закладных элементов;
- отсутствие трещин, сколов и других дефектов.
Заключение
Колодец ВС-15 – надежный и долговечный элемент для устройства вертикальных конструкций, таких как смотровые колодцы, дренажные системы и другие подземные сооружения. Благодаря строгому соблюдению требований Альбом РК 2201-82 и использованию качественных материалов, он обеспечивает прочность, устойчивость и долговечность конструкций. Для заказа качественных железобетонных колодцев обращайтесь к производителям с сертификатами соответствия и опытом работы в сфере ЖБИ.
Смотрите также:
| Варианты написания товара |
|---|
| Колодец ВС-15 |
| ВС-15 колодец |
| Колодец ВС15 |
| ВС15 колодец |
| ВС-15 |
| ВС15 |
| Колодец ВС-15 Альбом РК 2201-82 |
| ВС-15 Альбом РК 2201-82 |
| ВС15 Альбом РК 2201-82 |
|
ГОСТ/Серия
|
Альбом РК 2201-82 |
|
Длина, мм
|
1680 |
|
Ширина, мм
|
1680 |
|
Высота, мм
|
1980 |
|
Масса, тонн
|
2.56 |
|
Объем бетона, куб.м
|
1.02 |
|
Класс бетона
|
В22,5 |
|
Геометрический объем, м.куб
|
5.59 |
|
Сталь, кг
|
33.27 |
|
Закладная 1
|
Каркас Кп1 |
|
Закладная 2
|
Петля П1 |
Как купить
Процесс покупки железобетонных изделий у нас прост и удобен. Следуйте этим шагам:
- Выбор продукции: Ознакомьтесь с нашим ассортиментом и выберите необходимые железобетонные изделия.
- Консультация: Свяжитесь с нашим менеджером для получения консультации по выбору продукции и уточнения всех деталей. Вы можете позвонить нам или написать на электронную почту.
- Оформление заказа: После согласования всех деталей оформите заказ. Менеджер поможет вам заполнить все необходимые документы.
- Согласование доставки: После оформления заказа наш менеджер свяжется с вами для согласования условий и сроков доставки.
- Оплата: Выберите удобный способ оплаты. Мы предлагаем несколько вариантов, включая безналичный расчет.
- Получение товара: После выполнения всех условий заказа, вы получите железобетонные изделия в назначенное время и по согласованному адресу. При получении подпишите акт приема-передачи.
Если у вас возникли вопросы на любом этапе покупки, не стесняйтесь обращаться к нашим менеджерам!
Оплата
Мы принимаем только безналичные платежи и работаем исключительно с юридическими лицами. Пожалуйста, ознакомьтесь с условиями оплаты ниже:
- Способ оплаты: Все расчеты производятся безналичным путем. Мы не принимаем наличные.
- Счет на оплату: После оформления заказа вам будет выставлен счет, который необходимо оплатить в срок, указанный в документе.
- Реквизиты: Все необходимые банковские реквизиты будут предоставлены в счете. Убедитесь, что все данные указаны правильно для успешного перевода.
- Подтверждение оплаты: После осуществления платежа отправьте нам подтверждение, чтобы мы могли оперативно обработать ваш заказ.
- Получение документов: После полной оплаты вы получите все необходимые документы, включая акт выполненных работ, товарные накладные и сертификаты на продукцию.
Мы работаем с НДС и предоставляем все необходимые сертификаты и документы. Все гарантии будут прописаны в договоре, что обеспечивает прозрачность и надежность сотрудничества.
Если у вас есть вопросы по поводу процесса оплаты, не стесняйтесь обращаться к нашим менеджерам за помощью!
Наша оперативность — ваше удобство. Мы гарантируем своевременную доставку железобетонных изделий, что является ключевым фактором для успешной реализации ваших строительных проектов. Доставка осуществляется прямо к вашему объекту с учетом всех стандартов качества.
Основные условия доставки:
• Выбор тарифа: Вы можете выбрать способ расчета стоимости доставки — почасовой или по зонам.
• Согласование: Менеджер свяжется с вами для уточнения деталей после оформления заказа.
• Время на погрузку: Комплектация товара занимает от 1 до 3 дней в зависимости от объема.
• Акт приема-передачи: Продукция передается по акту приема-передачи.
Тарифы на доставку:
Цены варьируются в зависимости от расстояния и региона. Все тарифы включают НДС. При неблагоприятных погодных условиях возможны небольшие изменения в стоимости.
География доставки:
Мы работаем по всей территории РФ и имеем 12 офисов и производств, чтобы обеспечить удобные условия для доставки.
Для точного расчета стоимости доставки обращайтесь к нашим менеджерам!

