Описание плиты ПТ 75.45.6-15
Плита (ПТ 75.45.6-15) применяется для устройства перекрытий и покрытий в зданиях различного назначения. Изделие изготавливается компанией ГК "БЛОК", которая специализируется на производстве и поставке железобетонных изделий в Москве, из высокопрочного бетона класса В15 с армированием стальной арматурой, что обеспечивает её прочность, устойчивость к нагрузкам и долговечность.
Нормативный документ: Серия 3.006.1-8.
Применение плиты ПТ 75.45.6-15
Плита ПТ 75.45.6-15 используется для создания надёжных перекрытий и покрытий в жилых, промышленных и общественных зданиях. Она служит важной частью системы, обеспечивающей безопасность, долговечность и функциональность объектов. Для монтажа могут применяться дополнительные элементы: раствор, закладные детали и другие комплектующие.
Типы плит
Железобетонные плиты подразделяются на несколько типов в зависимости от назначения и конструкции:
- ПТ: плита тонкая;
- ПК: плита круглопустотная;
- ПД: плита доборная;
- ПУ: плита усиленная.
Размеры зависят от типа: длина 740–6000 мм, ширина 430–3000 мм, высота 60–500 мм.
Основные параметры, размеры и характеристики
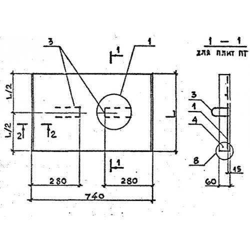
- Длина L, мм: 740
- Ширина b, мм: 430
- Высота h, мм: 60
- Масса, тонн: 0.0475
- Объем бетона, м³: 0.019
- Класс бетона: B15 (марка М200)
- Геометрический объем, м³: 0.019
- Закладная 1: Сетка С 2-7
- Закладная 2: Петля С 2-7
Дополнительные характеристики
- Марка по морозостойкости: F100–F150;
- Марка по водонепроницаемости: W4–W6;
- Технология изготовления: вибропрессование или формование с использованием высокопрочного бетона.
Нормы загрузки
- Норма загрузки в автотранспорт 20 т, шт: 421
Расшифровка маркировки ПТ 75.45.6-15
Маркировка "ПТ 75.45.6-15" содержит следующую информацию:
- ПТ – плита тонкая;
- 75 – условная длина изделия в дециметрах (740 мм);
- 45 – условная ширина изделия в дециметрах (430 мм);
- 6 – толщина плиты в сантиметрах (60 мм);
- 15 – расчетная нагрузка или вариант исполнения.
Условия транспортировки и хранения
Плиты ПТ 75.45.6-15 перевозятся автомобильным или железнодорожным транспортом с использованием специальных захватных устройств (строп). Хранение осуществляется на ровных площадках с твердым покрытием. Плиты устанавливаются горизонтально в штабель высотой не более 2,5 м. Для предотвращения повреждений между изделиями устанавливаются деревянные прокладки.
Контроль качества плиты ПТ 75.45.6-15
Каждая плита ПТ 75.45.6-15 проходит многоступенчатый контроль качества. Проверяются:
- прочность бетона (не ниже класса B15);
- соответствие геометрических размеров проектным данным;
- морозостойкость и водонепроницаемость бетона;
- точность расположения закладных элементов;
- отсутствие трещин, сколов и других дефектов.
Заключение
Плита ПТ 75.45.6-15 – это надежный и долговечный элемент для устройства перекрытий и покрытий. Благодаря использованию качественных материалов и современных технологий производства, она обеспечивает прочность, устойчивость и долговечность конструкций. Для заказа качественных железобетонных изделий обращайтесь к профессионалам своего дела – компании ГК "БЛОК".
Смотрите также:
| Варианты написания товара |
|---|
| Плита ПТ 75.45.6-15 |
| ПТ 75.45.6-15 плита |
| Плита ПТ 75.45.6-15 Серия 3.006.1-8 |
| ПТ 75.45.6-15 Серия 3.006.1-8 |
| ПТ 75.45.6-15 |
| Плита ПТ 75.45.6-15 ГОСТ |
| ПТ 75.45.6-15 ГОСТ |
|
ГОСТ/Серия
|
Серия 3.006.1-8 |
|
Длина, мм
|
740 |
|
Ширина, мм
|
430 |
|
Высота, мм
|
60 |
|
Масса, тонн
|
0.0475 |
|
Объем бетона, куб.м
|
0.019 |
|
Класс бетона
|
В15 |
|
Геометрический объем, м.куб
|
0.019 |
|
Закладная 1
|
Сетка С 2-7 |
|
Закладная 2
|
Петка С 2-7 |
Как купить
Процесс покупки железобетонных изделий у нас прост и удобен. Следуйте этим шагам:
- Выбор продукции: Ознакомьтесь с нашим ассортиментом и выберите необходимые железобетонные изделия.
- Консультация: Свяжитесь с нашим менеджером для получения консультации по выбору продукции и уточнения всех деталей. Вы можете позвонить нам или написать на электронную почту.
- Оформление заказа: После согласования всех деталей оформите заказ. Менеджер поможет вам заполнить все необходимые документы.
- Согласование доставки: После оформления заказа наш менеджер свяжется с вами для согласования условий и сроков доставки.
- Оплата: Выберите удобный способ оплаты. Мы предлагаем несколько вариантов, включая безналичный расчет.
- Получение товара: После выполнения всех условий заказа, вы получите железобетонные изделия в назначенное время и по согласованному адресу. При получении подпишите акт приема-передачи.
Если у вас возникли вопросы на любом этапе покупки, не стесняйтесь обращаться к нашим менеджерам!
Оплата
Мы принимаем только безналичные платежи и работаем исключительно с юридическими лицами. Пожалуйста, ознакомьтесь с условиями оплаты ниже:
- Способ оплаты: Все расчеты производятся безналичным путем. Мы не принимаем наличные.
- Счет на оплату: После оформления заказа вам будет выставлен счет, который необходимо оплатить в срок, указанный в документе.
- Реквизиты: Все необходимые банковские реквизиты будут предоставлены в счете. Убедитесь, что все данные указаны правильно для успешного перевода.
- Подтверждение оплаты: После осуществления платежа отправьте нам подтверждение, чтобы мы могли оперативно обработать ваш заказ.
- Получение документов: После полной оплаты вы получите все необходимые документы, включая акт выполненных работ, товарные накладные и сертификаты на продукцию.
Мы работаем с НДС и предоставляем все необходимые сертификаты и документы. Все гарантии будут прописаны в договоре, что обеспечивает прозрачность и надежность сотрудничества.
Если у вас есть вопросы по поводу процесса оплаты, не стесняйтесь обращаться к нашим менеджерам за помощью!
Наша оперативность — ваше удобство. Мы гарантируем своевременную доставку железобетонных изделий, что является ключевым фактором для успешной реализации ваших строительных проектов. Доставка осуществляется прямо к вашему объекту с учетом всех стандартов качества.
Основные условия доставки:
• Выбор тарифа: Вы можете выбрать способ расчета стоимости доставки — почасовой или по зонам.
• Согласование: Менеджер свяжется с вами для уточнения деталей после оформления заказа.
• Время на погрузку: Комплектация товара занимает от 1 до 3 дней в зависимости от объема.
• Акт приема-передачи: Продукция передается по акту приема-передачи.
Тарифы на доставку:
Цены варьируются в зависимости от расстояния и региона. Все тарифы включают НДС. При неблагоприятных погодных условиях возможны небольшие изменения в стоимости.
География доставки:
Мы работаем по всей территории РФ и имеем 12 офисов и производств, чтобы обеспечить удобные условия для доставки.
Для точного расчета стоимости доставки обращайтесь к нашим менеджерам!

